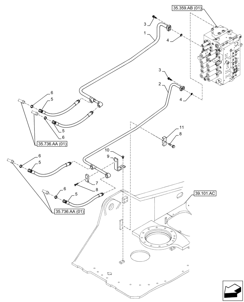
Запчасти Case CX300D LC (35.736.AC[01]) - LIFT CYLINDER, BOOM, LINES (35) - HYDRAULIC SYSTEMS

Схема запчастей Case CX300D LC - (35.736.AC[01]) - LIFT CYLINDER, BOOM, LINES (35) - HYDRAULIC SYSTEMS
10
6
6
35.736.aa (01)
11
8
5
5
8
9
39.101.ac
6
3
5
35.736.aa (01)
6
2
1
3
4
5
7
4
35.359.ab (01)
FIT
1:1
100%

Артикул

Название

Примечание

Количество

1

KBJ25820

TUBE

1шт.

2

KBJ26130

TUBE

1шт.

3

862-10035

HEX SOC SCREW,M10 x 35mm, Cl 12.9

M10 x 35mm

8шт.

4

155211A1

O-RING

2шт.

5

KRJ29090

HYDRAULIC HOSE,19mm ID x 790mm L

4шт.

6

KHJ1360

O-RING,0.07" Thk x 0.739" ID

4шт.

7

152085A1

COLLAR

1шт.

8

167183A1

BOLT,Sems, M12 x 60mm, Cl 10.9

M12 x 60mm

2шт.

9

KBJ26290

BRACKET

, Serial Range: -C0262

1шт.

9

KRJ10900

SUPPORT

, Start Serial: D0262

1шт.

10

166352A1

BOLT

M12 x 30mm

1шт.

11

152498A1

SPECIAL CLAMP

1шт.

Выбрано товаров: 0