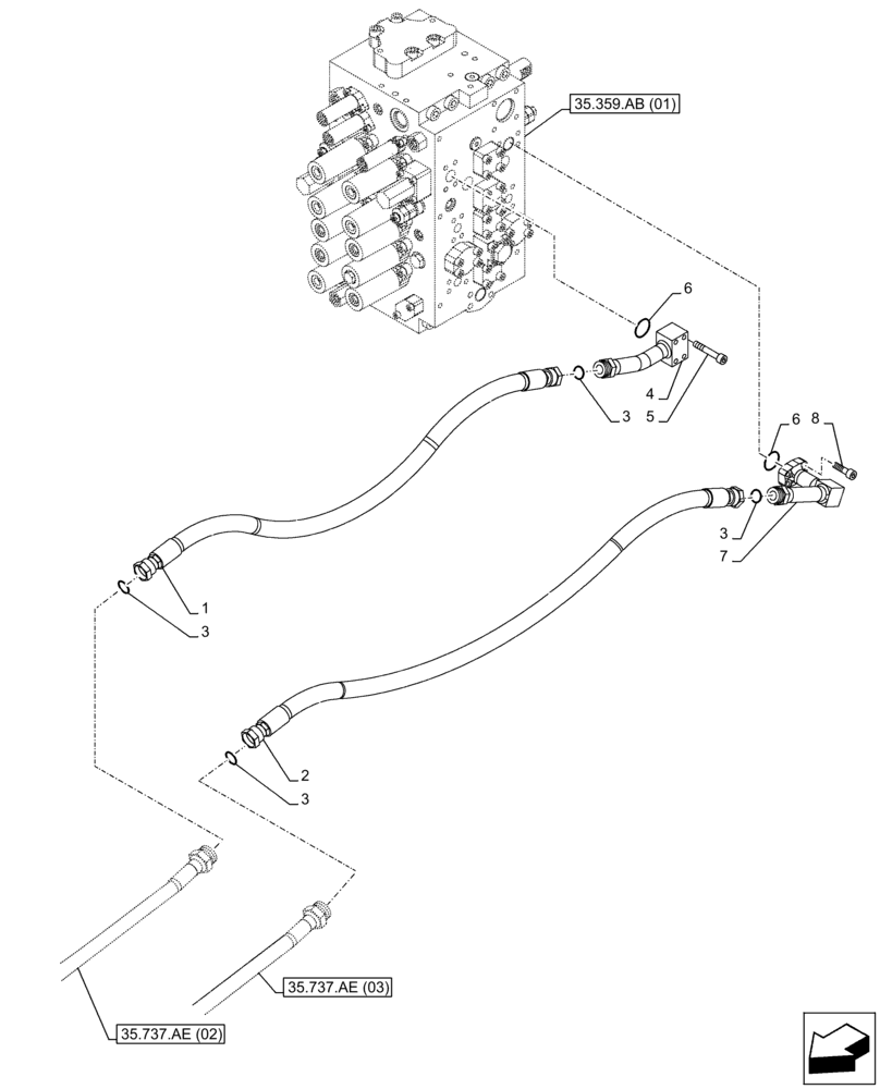
Запчасти Case CX300D LC (35.737.AE[01]) - ARM, CYLINDER, LINES (35) - HYDRAULIC SYSTEMS

Схема запчастей Case CX300D LC - (35.737.AE[01]) - ARM, CYLINDER, LINES (35) - HYDRAULIC SYSTEMS
35.737.ae (03)
6
6
1
7
35.359.ab (01)
3
2
35.737.ae (02)
3
8
3
5
4
3
FIT
1:1
100%

Артикул

Название

Примечание

Количество

1

KBJ25760

HYDRAULIC HOSE

1шт.

2

KSJ18820

HYDRAULIC HOSE

1шт.

3

KHJ1361

O-RING,0.07" Thk x 0.926" ID

4шт.

4

KBJ23190

TUBE

1шт.

5

862-10065

HEX SOC SCREW,M10 x 65mm, Cl 12.9

M10 x 65mm

4шт.

6

155211A1

O-RING

2шт.

7

KBJ25780

TUBE

1шт.

8

862-10035

HEX SOC SCREW,M10 x 35mm, Cl 12.9

M10 x 35mm

4шт.

Выбрано товаров: 8