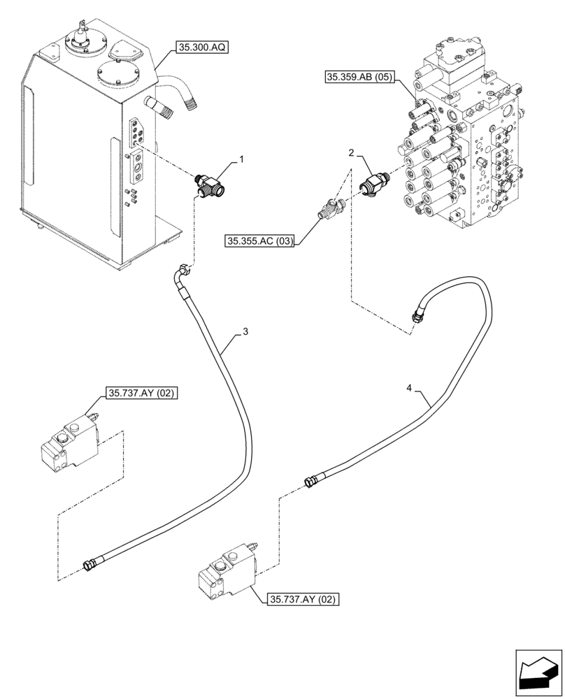
Запчасти Case CX300D LC (35.737.BC[01]) - VAR - 481064 - ARM, CYLINDER, SAFETY VALVE, LINE (35) - HYDRAULIC SYSTEMS

Схема запчастей Case CX300D LC - (35.737.BC[01]) - VAR - 481064 - ARM, CYLINDER, SAFETY VALVE, LINE (35) - HYDRAULIC SYSTEMS
35.737.ay (02)
3
4
35.359.ab (05)
35.300.aq
1
2
35.737.ay (02)
35.355.ac (03)
FIT
1:1
100%

Артикул

Название

Примечание

Количество

1

KHJ11560

TEE

G1/4" x G3/8" x G1/4"

1шт.

2

KHJ31880

TEE

G3/8"

1шт.

3

KHJ34060

HYDRAULIC HOSE

9 x 2350mm

1шт.

4

KHJ33180

HYDRAULIC HOSE

1шт.

Выбрано товаров: 4