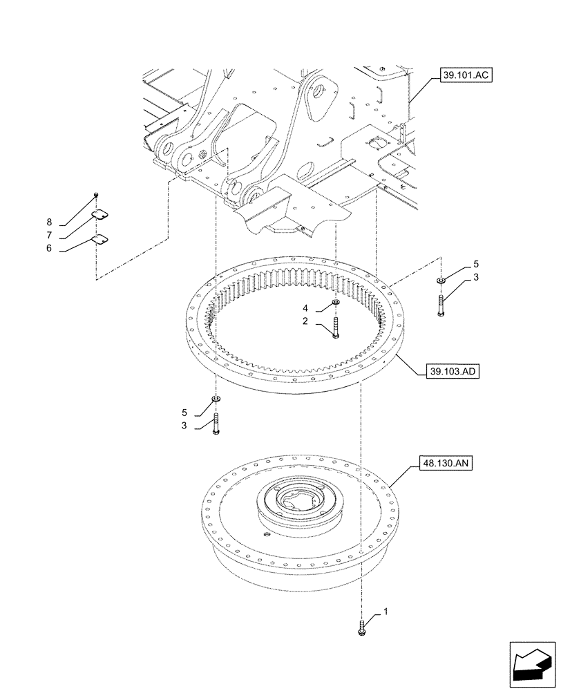
Запчасти Case CX300D LC (39.103.AF) - SLEWING RING, MOUNTING, BOLT (39) - FRAMES AND BALLASTING

Схема запчастей Case CX300D LC - (39.103.AF) - SLEWING RING, MOUNTING, BOLT (39) - FRAMES AND BALLASTING
7
3
6
1
8
2
4
5
39.101.ac
48.130.an
39.103.ad
3
5
FIT
1:1
100%

Артикул

Название

Примечание

Количество

1

166477A1

BOLT,Sems, M24 x 90mm

43шт.

2

827-24140

BOLT,Hex, M24 x 3 x 140mm, Cl 10.9

30шт.

3

KBB11870

BOLT,Spcl

2шт.

4

150822A1

WASHER,25mm ID x 48mm OD x 6mm Thk

30шт.

5

157544A1

WASHER

2шт.

6

KAB0623

PACKING

1шт.

7

KHB13510Y2

COVER

1шт.

8

166351A1

BOLT,Sems, M10 x 20mm

2шт.

Выбрано товаров: 8