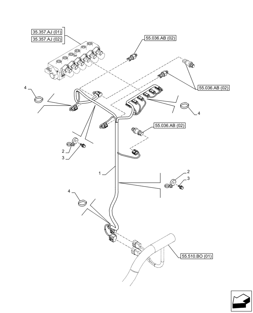
Запчасти Case CX300D LC (55.510.BO[06]) - CONTROL VALVE, WIRE HARNESS (55) - ELECTRICAL SYSTEMS

Схема запчастей Case CX300D LC - (55.510.BO[06]) - CONTROL VALVE, WIRE HARNESS (55) - ELECTRICAL SYSTEMS
4
3
2
3
4
55.036.ab (02)
55.036.ab (02)
55.510.bo (01)
35.357.aj (01)
2
35.357.aj (02)
55.036.ab (02)
1
4
FIT
1:1
100%

Артикул

Название

Примечание

Количество

1

KHR39230

WIRE HARNESS

C/V

1шт.

2

KHR2585

CLAMP

5шт.

3

KHJ2298

BOLT,Spcl

M10 x 25mm

5шт.

4

150496A1

MOUNTING CLIP

250mm

6шт.

Выбрано товаров: 4