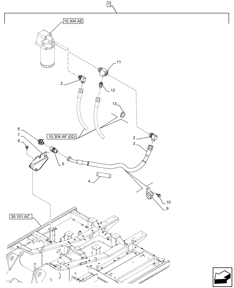
Запчасти Case CX300D LC (88.100.10[02]) - DIA KIT, HYDRAULIC OIL, ENGINE OIL FILTER, DRAIN LINE (88) - ACCESSORIES

Схема запчастей Case CX300D LC - (88.100.10[02]) - DIA KIT, HYDRAULIC OIL, ENGINE OIL FILTER, DRAIN LINE (88) - ACCESSORIES
3
1
10.304.af (02)
5
13
2
4
12
8
11
10.304.ae
6
10
7
2
9
39.101.ac
FIT
1:1
100%

Артикул

Название

Примечание

Количество

1

KG1BP526-00

CONSTRUCTION DIA

Oil Sampling, Incl 2 - 13

1шт.

To See Full DIA KIT Composition Look for all the Figures Where the DIA KIT P/N Is Shown

1шт.

2

KHH14660

ELBOW

G3/4" X G3/4"

2шт.

3

KBH15190

HYDRAULIC HOSE

L=1020mm

1шт.

4

KHR21080

PLASTIC-RUBBER TUBE

28 X 700mm

1шт.

5

KHH17400

ADAPTER

1шт.

6

KBH14721

COCK

1шт.

7

KSH14740

BRACKET

1шт.

8

166352A1

BOLT

M12 X 30mm

2шт.

9

KHR2581

CLAMP

M8

1шт.

10

KHJ1215

BOLT,Spcl

M8 X 25mm

1шт.

11

KHH17360

TEE

G3/4"

1шт.

12

KHH14620

ADAPTER

G3/4" X G3/4"

1шт.

13

150496A1

MOUNTING CLIP

250mm

2шт.

Выбрано товаров: 14