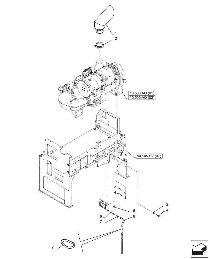
Запчасти Case CX300D LC (10.254.AD[02]) - EXHAUST SYSTEM, EXHAUST PIPE (10) - ENGINE

Схема запчастей Case CX300D LC - (10.254.AD[02]) - EXHAUST SYSTEM, EXHAUST PIPE (10) - ENGINE
90.105.bv (07)
3
1
6
8
4
2
3
9
4
7
5
10.500.ao (02)
10.500.ao (01)
FIT
1:1
100%

Артикул

Название

Примечание

Количество

1

KSH14380

PIPE

1шт.

2

KHH16210

CLAMP

1шт.

3

150811A1

WASHER

18шт.

4

627-12035

BOLT,Hex, M12 x 1.75 x 35mm, Cl 10.9, Full Thd

18шт.

5

166052A1

BOLT

M10 X 25

2шт.

6

KBH13820

BRACKET

1шт.

7

KHH0405

MOUNTING CLIP

1шт.

8

KHH0478

HOSE

1шт.

9

150496A1

MOUNTING CLIP

250mm

3шт.

Выбрано товаров: 9