Запчасти Case CX300D LC (88.100.35[231]) - DIA KIT, QUICK COUPLER, BOOM, HYDRAULIC LINE (88) - ACCESSORIES

Схема запчастей Case CX300D LC - (88.100.35[231]) - DIA KIT, QUICK COUPLER, BOOM, HYDRAULIC LINE (88) - ACCESSORIES
6
35.734.ad (04)
35.734.ad (03)
8
35.734.ad (03)
35.734.ad (05)
84.910.aa
5
4
5
6
6
3
35.734.ad (04)
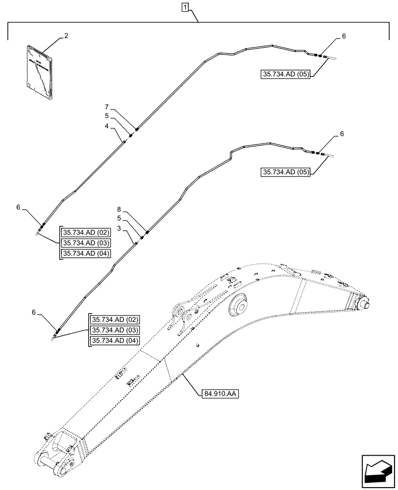
1
7
2
35.734.ad (05)
35.734.ad (02)
35.734.ad (02)
6
FIT
1:1
100%

Артикул

Название

Примечание

Количество

1

KG1BP625-00

CONSTRUCTION DIA

Quick Coupler Line, Boom, Incl 2 - 8

1шт.

To See Full DIA KIT Composition Look for all the Figures Where the DIA KIT P/N Is Shown

1шт.

2

47928803

INSTRUCTION

1шт.

2

47929352

INSTRUCTION

1шт.

3

KBV40840

HYD TUBE

LH

1шт.

4

KBV40850

HYD TUBE

RH

1шт.

5

163029A1

UNION

2шт.

6

163065A1

UNION

4шт.

7

KBV38890

HYD TUBE

RH

1шт.

8

KBV38880

HYD TUBE

LH

1шт.

Выбрано товаров: 10