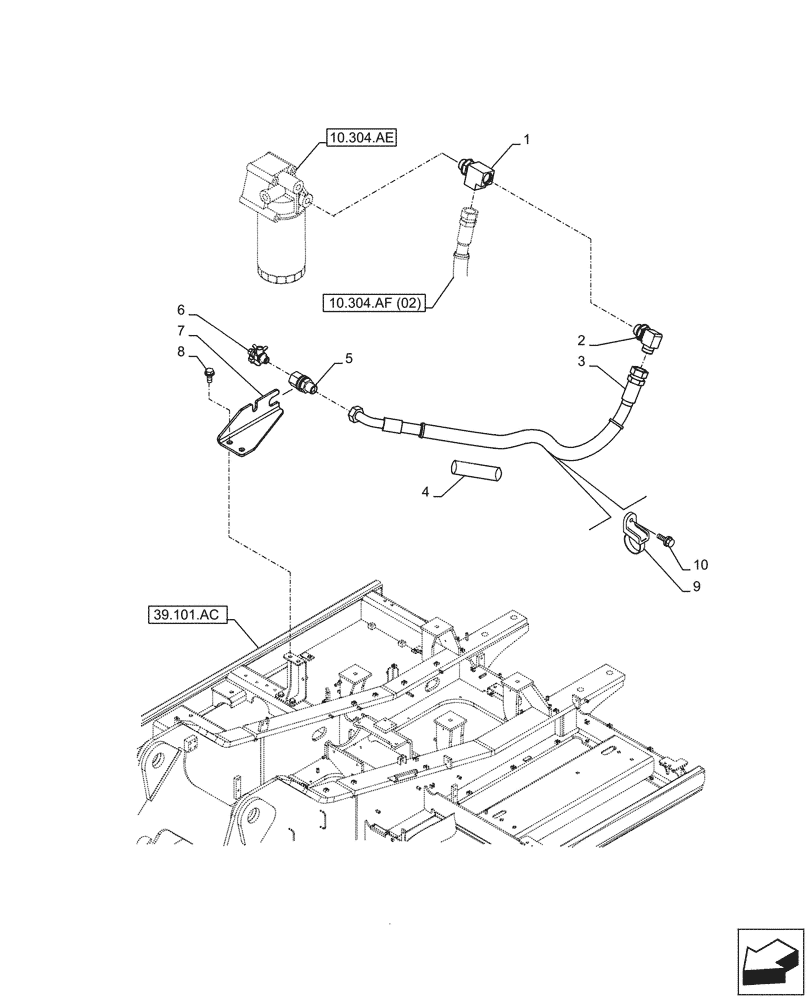
Запчасти Case CX300D LC (10.304.AF[03]) - VAR - 488034 - ENGINE OIL FILTER, DRAIN LINE (10) - ENGINE

Схема запчастей Case CX300D LC - (10.304.AF[03]) - VAR - 488034 - ENGINE OIL FILTER, DRAIN LINE (10) - ENGINE
10.304.ae
39.101.ac
3
10
6
4
5
9
1
7
10.304.af (02)
8
2
FIT
1:1
100%

Артикул

Название

Примечание

Количество

1

KHH17360

TEE

G3/4

1шт.

2

KHH14660

ELBOW

G3/4XG3/4

1шт.

3

KBH15190

HYDRAULIC HOSE

1020mm

1шт.

4

KHR21080

PLASTIC-RUBBER TUBE

28 X 700mm

1шт.

5

KHH17400

ADAPTER

1шт.

6

KBH14721

COCK

, Start Serial: D0250

1шт.

7

KSH14740

BRACKET

1шт.

8

166352A1

BOLT

M12 X 30mm

2шт.

9

KHR2581

CLAMP

M8

1шт.

10

KHJ1215

BOLT,Spcl

M8 X 25mm

1шт.

Выбрано товаров: 10