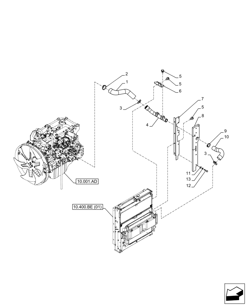
Запчасти Case CX300D LC (10.310.AD) - AFTERCOOLER LINE, ENGINE (10) - ENGINE

Схема запчастей Case CX300D LC - (10.310.AD) - AFTERCOOLER LINE, ENGINE (10) - ENGINE
5
10.001.ad
10.400.be (01)
5
13
3
8
11
6
2
1
7
9
10
12
4
3
5
FIT
1:1
100%

Артикул

Название

Примечание

Количество

1

KBH12750

HOSE

1шт.

2

KHH0411

COLLAR

1шт.

3

164968A1

COLLAR

2шт.

4

KBH12771

PIPE

1шт.

5

152718A1

BOLT,Spcl, Hex Wshr, M12 x 25mm, Cl 10.9

7шт.

6

KBH11920

BRACKET, SUPPORTING

1шт.

7

KBH13291

BRACKET

1шт.

8

KBH13321

SEAL

1шт.

9

164967A1

COLLAR

1шт.

10

KBH11630

AIR HOSE

1шт.

11

KHH0358

RETAINER

9шт.

12

827-8040

BOLT,Hex, M8 x 1.25 x 40mm, Cl 10.9

9шт.

13

895-11008

WASHER,9mm ID x 16mm OD x 1.6mm Thk

9шт.

Выбрано товаров: 13