Запчасти Case CX300D LC (90.105.BV[09]) - STD + VAR - 488031 - HOUSING & COVERS (90) - PLATFORM, CAB, BODYWORK AND DECALS

Схема запчастей Case CX300D LC - (90.105.BV[09]) - STD + VAR - 488031 - HOUSING & COVERS (90) - PLATFORM, CAB, BODYWORK AND DECALS
90.105.bv (10)
4
1
9
6
90.105.bv (10)
5
8
3
2
90.105.bv (10)
39.101.ac
7
FIT
1:1
100%

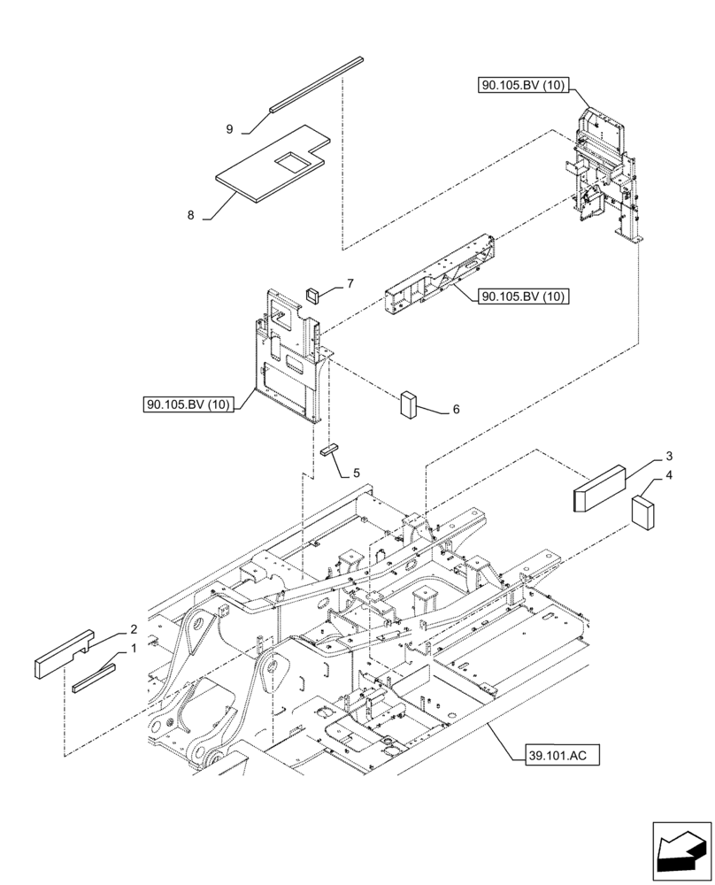
Артикул

Название

Примечание

Количество

1

KBN14790

SEAL PROTECTION

1шт.

2

KBN14680

SEAL PROTECTION

1шт.

3

KBN17640

SEAL PROTECTION

1шт.

4

KBN17670

SEAL PROTECTION

1шт.

5

KBN21730

SEAL

1шт.

6

KBN21740

SEAL

1шт.

7

KBN21750

SEAL

1шт.

8

KBN21760

INSULATION

1шт.

9

KBN21770

SEAL

1шт.

Выбрано товаров: 9