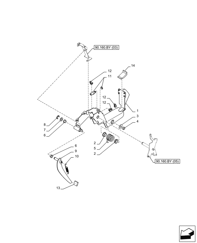
Запчасти Case CX300D LC (90.160.BY[04]) - VAR - 488035, 781277 - CONSOLE, SIDE PANEL, LH (90) - PLATFORM, CAB, BODYWORK AND DECALS

Схема запчастей Case CX300D LC - (90.160.BY[04]) - VAR - 488035, 781277 - CONSOLE, SIDE PANEL, LH (90) - PLATFORM, CAB, BODYWORK AND DECALS
90.160.by (05)
12
2
4
13
2
3
9
11
12
6
14
12
7
8
6
10
1
5
90.160.by (03)
FIT
1:1
100%

Артикул

Название

Примечание

Количество

1

KHN39720

FRAME

, Serial Range: -C0330

1шт.

1

KHN39721

FRAME

, Start Serial: D0330

1шт.

2

KHN2261

BUSHING

2шт.

3

151161A1

WASHER

1шт.

4

829-1412

NUT,M12, Cl 10.9

1шт.

5

KHN24001

SPRING

1шт.

6

KHN2249

BUSHING

2шт.

7

896-11016

WASHER,17.5mm ID x 30mm OD x 4mm Thk

1шт.

8

KHN2270

LOCKING RING

1шт.

9

KHN13331

LEVER

1шт.

10

KHN13350

SPRING

1шт.

11

KHR14930

LIMIT SWITCH

1шт.

12

KHN17050

CLIP

3шт.

13

KHN17560

SEAL

1шт.

14

KHN43110

SEAL

, Start Serial: D0330

1шт.

Выбрано товаров: 15