Запчасти Case CX300D LC (35.000.00[04]) - SECTION INDEX - HYDRAULIC SYSTEMS (35) - HYDRAULIC SYSTEMS

Схема запчастей Case CX300D LC - (35.000.00[04]) - SECTION INDEX - HYDRAULIC SYSTEMS (35) - HYDRAULIC SYSTEMS
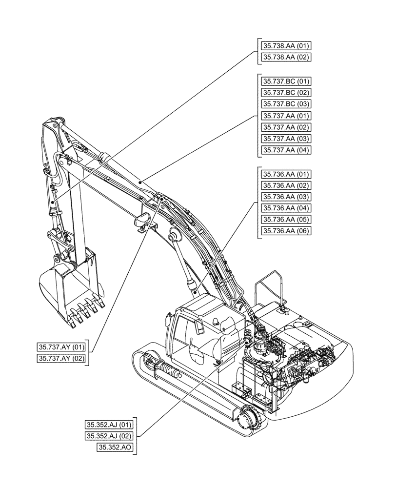
35.736.aa (03)
35.736.aa (05)
35.737.aa (01)
35.352.aj (01)
35.737.bc (03)
35.737.ay (01)
35.736.aa (02)
35.737.aa (02)
35.737.bc (02)
35.736.aa (01)
35.737.aa (03)
35.738.aa (01)
35.737.aa (04)
35.737.ay (02)
35.352.aj (02)
35.737.bc (01)
35.738.aa (02)
35.736.aa (06)
35.736.aa (04)
35.352.ao
FIT
1:1
100%