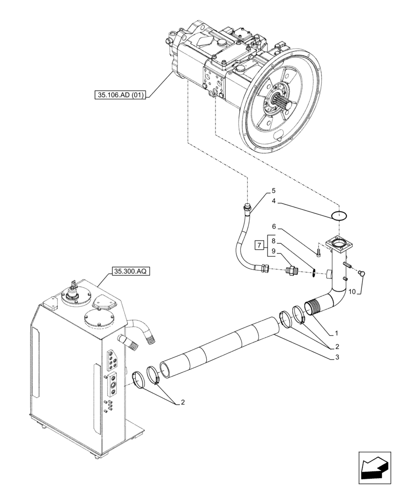
Запчасти Case CX300D LC (35.106.AO[01]) - VARIABLE DELIVERY HYDRAULIC PUMP, LINES (35) - HYDRAULIC SYSTEMS

Схема запчастей Case CX300D LC - (35.106.AO[01]) - VARIABLE DELIVERY HYDRAULIC PUMP, LINES (35) - HYDRAULIC SYSTEMS
10
35.106.ad (01)
8
2
3
1
4
6
9
2
35.300.aq
5
7
FIT
1:1
100%

Артикул

Название

Примечание

Количество

1

KBJ20511

TUBE

1шт.

2

KHJ32620

CLIP

, Start Serial: D0287

4шт.

3

KRJ4969

HYDRAULIC HOSE

1шт.

4

154681A1

O-RING

1шт.

5

KHJ2260

HOSE

1шт.

6

862-12030

HEX SOC SCREW,M12 x 30mm, Cl 12.9

4шт.

7

169040A1

ADAPTER

ASSY, Incl 8, 9, G1" x G3/4"

1шт.

8

154523A1

O-RING

1шт.

9

NSS

NOT SOLD SEPARAT

Fitting, Incl in 7

1шт.

10

KHJ1215

BOLT,Spcl

1шт.

Выбрано товаров: 10