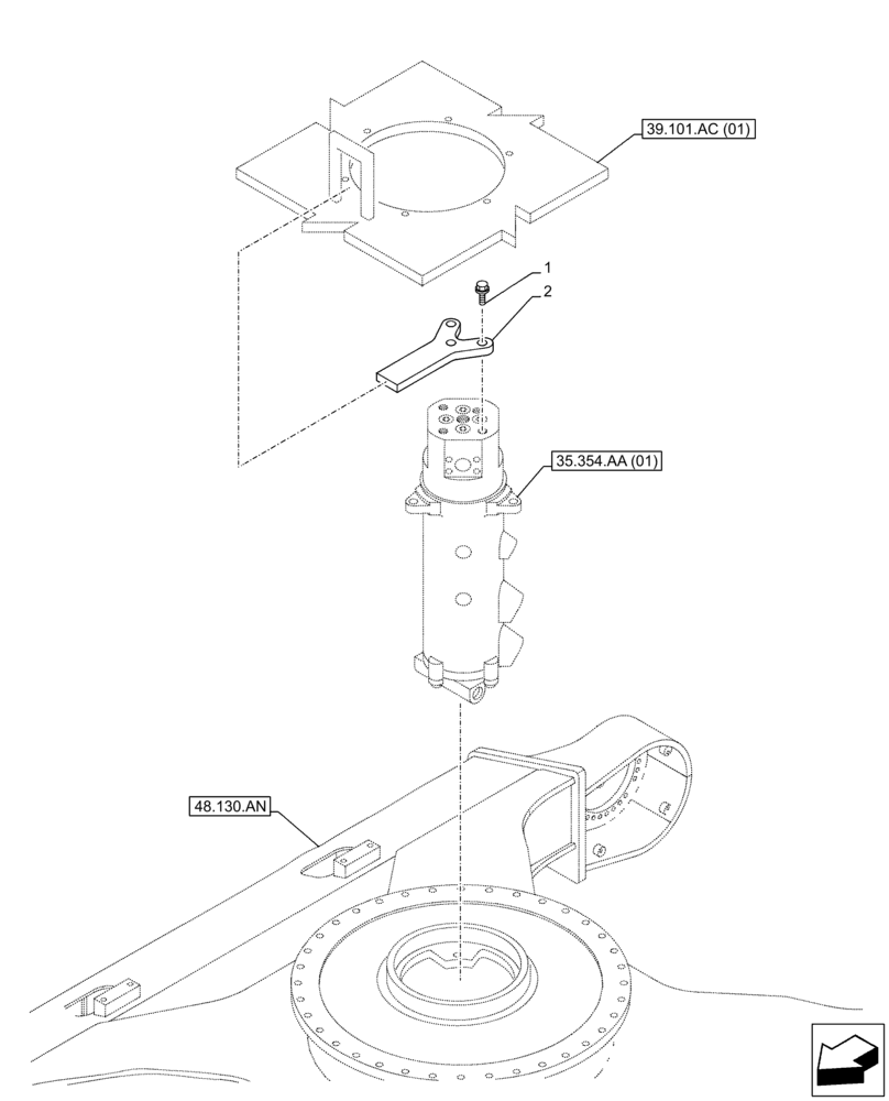
Запчасти Case CX350D LC (35.354.AC) - HYDRAULIC SWIVEL, STOP (35) - HYDRAULIC SYSTEMS

Схема запчастей Case CX350D LC - (35.354.AC) - HYDRAULIC SWIVEL, STOP (35) - HYDRAULIC SYSTEMS
48.130.an
39.101.ac (01)
2
35.354.aa (01)
1
FIT
1:1
100%

Артикул

Название

Примечание

Количество

1

166373A1

BOLT,Sems, M16 x 40mm

3шт.

2

KTA1150

STOP LOCK

1шт.

Выбрано товаров: 2