Запчасти Case CX350D LC (35.357.AC[02]) - VAR - 461863 - HYDRAULIC PUMP, PILOT, CLAMSHELL BUCKET, ROTATION, W/ ELECTRICAL PROPORTIONAL CONTROL, COMPONENTS (35) - HYDRAULIC SYSTEMS

Схема запчастей Case CX350D LC - (35.357.AC[02]) - VAR - 461863 - HYDRAULIC PUMP, PILOT, CLAMSHELL BUCKET, ROTATION, W/ ELECTRICAL PROPORTIONAL CONTROL, COMPONENTS (35) - HYDRAULIC SYSTEMS
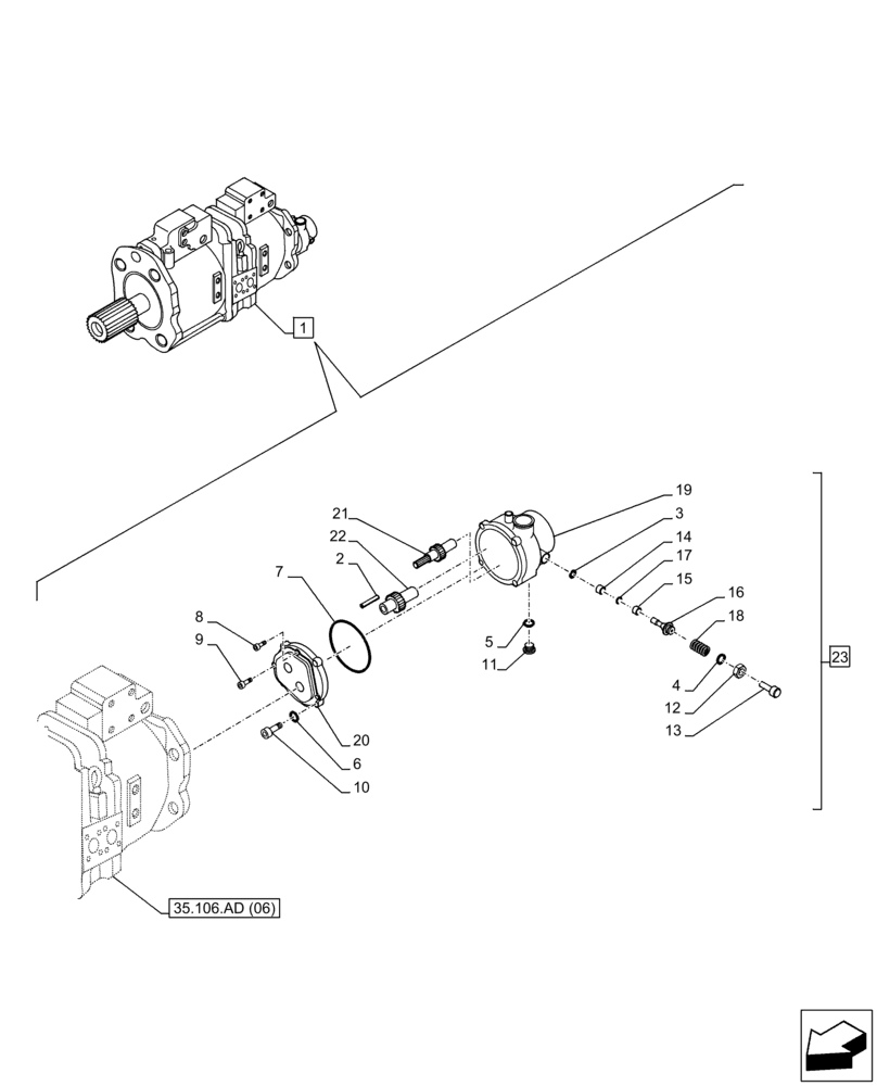
8
3
12
18
13
19
9
21
6
4
5
17
7
35.106.ad (06)
22
10
1
14
16
20
11
15
23
2
FIT
1:1
100%

Артикул

Название

Примечание

Количество

1

KSJ18301

HYDRAULIC PUMP

ASSY, Incl 2 - 23

1шт.

See also Figure 35.106.AD (05), 35.106.AD (06), 35.106.AD (07), 35.106.AD (08), 35.106.AL (02), 35.106.AN

1шт.

2

LA016240

PIN

2шт.

3

163668A1

RING, LOCKING

1шт.

4

154483A1

O-RING

1шт.

5

154467A1

O-RING,10.8mm ID x 2.4mm Width

1шт.

6

LE015120

O-RING

1шт.

7

163667A1

SEALING RING

1шт.

8

LA00594

BOLT,Hex Skt, M8 x 65mm, Cl 12.9

2шт.

9

LA00593

BOLT,Hex Skt, M8 x 50mm, Cl 12.9

2шт.

10

LA00592

BOLT,Hex Skt, M10 x 30mm, Cl 12.9

4шт.

11

155496A1

PLUG

1шт.

12

163662A1

LOCK NUT

1шт.

13

LF00043

ADJUSTER

1шт.

14

163663A1

FILTER

1шт.

15

LR017720

GASKET

1шт.

16

LJ019210

POPPET

1шт.

17

LE01175

RING

1шт.

18

LG00536

SPRING

1шт.

19

NSS

NOT SOLD SEPARAT

Body, Incl in 2

1шт.

20

NSS

NOT SOLD SEPARAT

Cover, Incl in 2

20шт.

21

NSS

NOT SOLD SEPARAT

Gear, Incl in 2

21шт.

22

NSS

NOT SOLD SEPARAT

Gear, Incl in 2

22шт.

23

LJ017430

HYDRAULIC PUMP

ASSY, Incl 2 - 22

1шт.

Выбрано товаров: 24