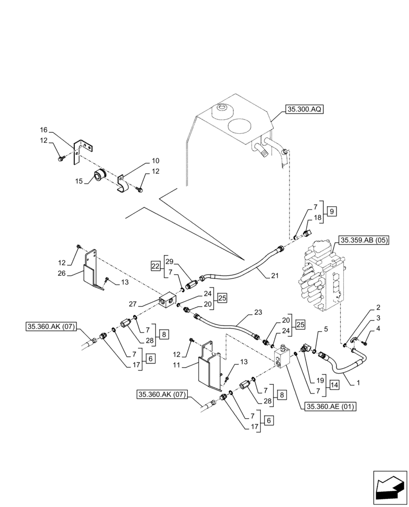
Запчасти Case CX350D LC (35.360.AB[01]) - VAR - 461865 - HAMMER CIRCUIT, LINE, W/ ELECTRICAL PROPORTIONAL CONTROL (35) - HYDRAULIC SYSTEMS

Схема запчастей Case CX350D LC - (35.360.AB[01]) - VAR - 461865 - HAMMER CIRCUIT, LINE, W/ ELECTRICAL PROPORTIONAL CONTROL (35) - HYDRAULIC SYSTEMS
12
14
8
3
17
25
19
12
10
28
4
12
13
29
35.360.ae (01)
35.300.aq
20
17
1
16
7
18
23
24
5
7
27
6
7
35.360.ak (07)
7
22
12
2
15
25
28
26
11
7
8
6
7
35.360.ak (07)
35.359.ab (05)
21
7
20
13
24
9
FIT
1:1
100%

Артикул

Название

Примечание

Количество

1

KSJ19080

HOSE

1шт.

2

155211A1

O-RING

1шт.

3

153459A1

FLANGE

2шт.

4

862-10030

HEX SOC SCREW,M10 x 30mm, Cl 12.9

4шт.

5

KHJ1361

O-RING,0.07" Thk x 0.926" ID

3шт.

6

KHJ1349

ADAPTER

ASSY, Incl 7 (Qty 1), 17

2шт.

7

154523A1

O-RING

7шт.

8

KHJ25900

SOCKET

ASSY, Incl 7 (Qty 1), 28

2шт.

9

157581A1

ELBOW,90 Degree, 1" O-Ring x 1"

ASSY, Incl 7 (Qty 1), 18

1шт.

10

KBJ11860

SUPPORT

1шт.

11

KSJ17120

BRACKET

1шт.

12

166352A1

BOLT

7шт.

13

152718A1

BOLT,Spcl, Hex Wshr, M12 x 25mm, Cl 10.9

8шт.

14

KHJ11370

ELBOW

ASSY, Incl 7 (Qty 1), 19

1шт.

15

KHJ2680

COLLAR CLAMP

1шт.

16

KBJ15230

BRACKET, SUPPORTING

1шт.

17

NSS

NOT SOLD SEPARAT

Fitting, Incl in 6

2шт.

18

NSS

NOT SOLD SEPARAT

90° Fitting, Incl IN 9

1шт.

19

NSS

NOT SOLD SEPARAT

45° Fitting, Incl in 14

1шт.

20

NSS

NOT SOLD SEPARAT

Fitting, Incl in 25

2шт.

21

KSJ19130

HOSE

1шт.

22

KTJ1261

STUD

ASSY, Incl 7 (Qty 1), 29

1шт.

23

KSJ17140

HYDRAULIC HOSE

1шт.

24

154503A1

O-RING

2шт.

25

151654A1

HYD CONNECTOR,3/4" NPT O-Ring x 3/4" NPT

ASSY, Incl 24 (Qty 1), 20

2шт.

26

KSJ16040

BRACKET

1шт.

27

KRJ16400

MANIFOLD VALVE

1шт.

28

NSS

NOT SOLD SEPARAT

Fitting, Incl in 8

2шт.

29

NSS

NOT SOLD SEPARAT

1шт.

Выбрано товаров: 29