Запчасти Case CX350D LC (35.360.AB[05]) - VAR - 461561, 461563, 461865, 461869 - HAMMER CIRCUIT, LINE, SHEARS, HIGH FLOW, W/ ELECTRICAL PROPORTIONAL CONTROL (35) - HYDRAULIC SYSTEMS

Схема запчастей Case CX350D LC - (35.360.AB[05]) - VAR - 461561, 461563, 461865, 461869 - HAMMER CIRCUIT, LINE, SHEARS, HIGH FLOW, W/ ELECTRICAL PROPORTIONAL CONTROL (35) - HYDRAULIC SYSTEMS
19
8
11
16
23
6
1
35.360.ab (03)
17
18
35.359.ay (01)
19
3
12
21
17
2
22
3
15
5
35.360.ab (04)
35.360.aa (01)
5
35.360.ae (02)
7
9
13
14
20
10
2
4
FIT
1:1
100%

Артикул

Название

Примечание

Количество

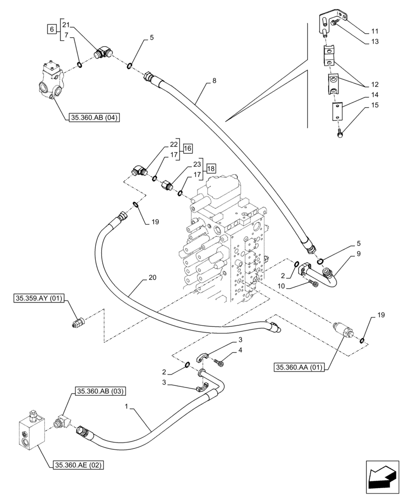
1

KSJ19080

HOSE

1шт.

2

155211A1

O-RING

2шт.

3

153459A1

FLANGE

2шт.

4

862-10030

HEX SOC SCREW,M10 x 30mm, Cl 12.9

4шт.

5

KHJ1361

O-RING,0.07" Thk x 0.926" ID

2шт.

6

KHJ1805

ELBOW

ASSY, Incl 7, 21

1шт.

7

154523A1

O-RING

1шт.

8

KSJ13731

HYDRAULIC HOSE

1шт.

9

KSJ20990

PIPE

1шт.

10

862-10035

HEX SOC SCREW,M10 x 35mm, Cl 12.9

4шт.

11

KSJ21000

BRACKET

1шт.

12

KRJ11450

HOSE CLIP

2шт.

13

166352A1

BOLT

2шт.

14

KRJ10800

PLATE

1шт.

15

166052A1

BOLT

2шт.

16

KHJ1804

ELBOW

ASSY, Incl 17 (Qty 1), 22

1шт.

17

154503A1

O-RING

3шт.

18

159198A1

ADAPTER

ASSY, Incl 17 (Qty 1), 23

1шт.

19

KHJ1360

O-RING,0.07" Thk x 0.739" ID

2шт.

20

KSJ19120

HOSE

1шт.

21

NSS

NOT SOLD SEPARAT

90° Fitting, Incl in 6

1шт.

22

NSS

NOT SOLD SEPARAT

90° Fitting, Incl in 16

1шт.

23

NSS

NOT SOLD SEPARAT

Fitting, Incl in 18

1шт.

Выбрано товаров: 23