Запчасти Case CX350D LC (00.000.35[03]) - PICTORIAL INDEX - HYDRAULIC SYSTEMS (00) - GENERAL & PICTORIAL INDEX

Схема запчастей Case CX350D LC - (00.000.35[03]) - PICTORIAL INDEX - HYDRAULIC SYSTEMS (00) - GENERAL & PICTORIAL INDEX
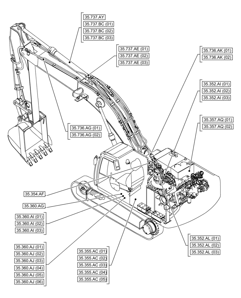
35.736.ag (02)
35.737.ae (02)
35.354.af
35.360.ai (03)
35.736.ak (01)
35.737.ae (03)
35.355.ac (03)
35.360.ag
35.360.aj (05)
35.352.al (02)
35.360.aj (03)
35.360.aj (06)
35.352.al (03)
35.352.ai (02)
35.737.bc (01)
35.355.ac (02)
35.737.bc (03)
35.355.ac (01)
35.360.aj (02)
35.352.al (01)
35.352.ai (01)
35.737.ay
35.737.ae (01)
35.355.ac (04)
35.736.ak (02)
35.736.ag (01)
35.352.ai (03)
35.360.ai (01)
35.360.aj (04)
35.360.aj (01)
35.357.aq (02)
35.360.ai (02)
35.355.ac (05)
35.357.aq (01)
35.737.bc (02)
FIT
1:1
100%