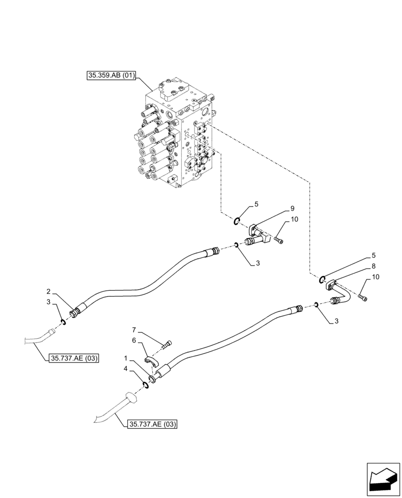
Запчасти Case CX350D LC (35.737.AE[01]) - ARM, CYLINDER, LINE (35) - HYDRAULIC SYSTEMS

Схема запчастей Case CX350D LC - (35.737.AE[01]) - ARM, CYLINDER, LINE (35) - HYDRAULIC SYSTEMS
8
5
7
10
3
9
35.737.ae (03)
35.359.ab (01)
35.737.ae (03)
4
2
3
3
1
6
10
5
FIT
1:1
100%

Артикул

Название

Примечание

Количество

1

KSJ18800

HYDRAULIC HOSE

25mm ID x 1470mm

1шт.

2

KSJ18820

HYDRAULIC HOSE

25mm ID x 1300mm

1шт.

3

KHJ1361

O-RING,0.07" Thk x 0.926" ID

3шт.

4

164450A1

O-RING

1шт.

5

155211A1

O-RING

2шт.

6

150124A1

FLANGE

2шт.

7

108R014Y055R

BOLT

M14 x 55mm

4шт.

8

KSJ18780

PIPE

1шт.

9

KSJ18791

PIPE

1шт.

10

862-10035

HEX SOC SCREW,M10 x 35mm, Cl 12.9

8шт.

Выбрано товаров: 10