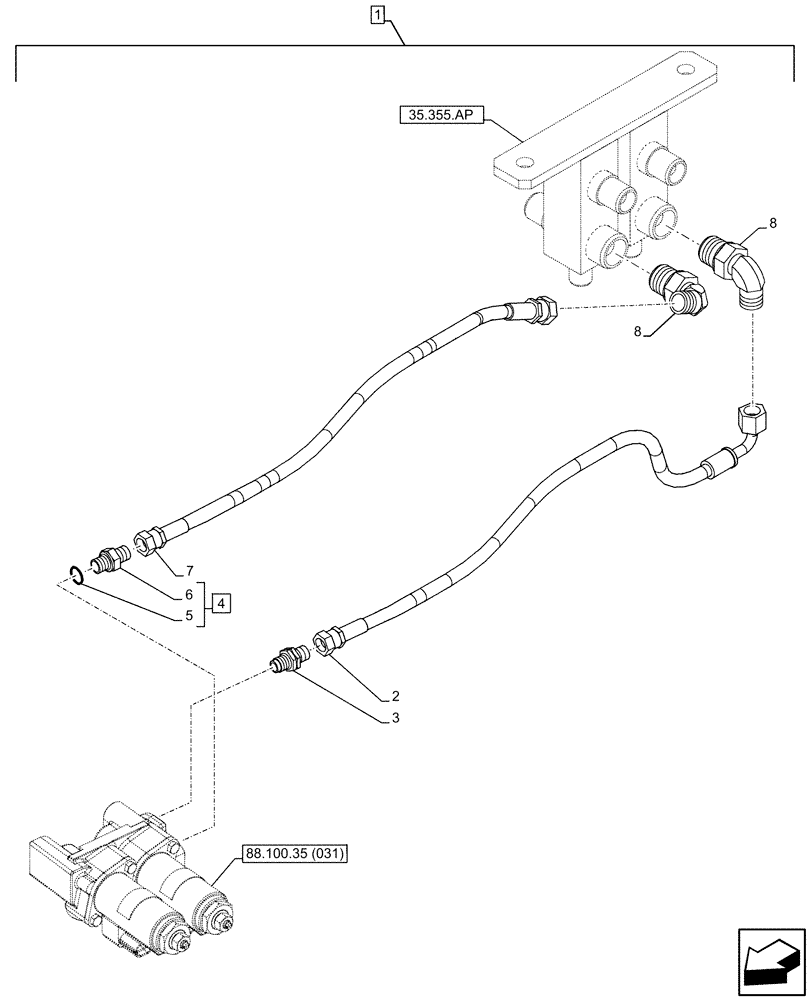
Запчасти Case CX350D LC (88.100.35[033]) - DIA KIT, HAMMER CIRCUIT, W/ ELECTRICAL PROPORTIONAL CONTROL, SOLENOID VALVE, LINE (88) - ACCESSORIES

Схема запчастей Case CX350D LC - (88.100.35[033]) - DIA KIT, HAMMER CIRCUIT, W/ ELECTRICAL PROPORTIONAL CONTROL, SOLENOID VALVE, LINE (88) - ACCESSORIES
35.355.ap
3
7
6
8
5
2
8
88.100.35 (031)
1
4
FIT
1:1
100%

Артикул

Название

Примечание

Количество

1

KG1SP077-00

CONSTRUCTION DIA

Breaker Circuit Proportional Control Kit, Incl 2 - 8

1шт.

To See Full DIA KIT Composition Look for all the Figures Where the DIA KIT P/N Is Shown

1шт.

2

KHJ2093

HOSE

Foot Control Valve P Port to Hydraulic Manifold P5 Port, 6mm ID x 1150mm

1шт.

3

161841A1

HYD CONNECTOR

G1/4" x G1/4"

1шт.

4

152127A1

HYD CONNECTOR,1/4" NPT O-Ring x 1/4" NPT

G1/4" x G1/4", ASSY, Incl 5, 6

1шт.

5

154467A1

O-RING,10.8mm ID x 2.4mm Width

1шт.

6

NSS

NOT SOLD SEPARAT

Fitting, Incl in 4

1шт.

7

KHJ2051

HOSE

Foot Control Valve T Port to Hydraulic Manifold T5 Port, 6mm ID x 1100mm

1шт.

8

KHJ28580

ELBOW

2шт.

Выбрано товаров: 9