Запчасти Case CX350D LC (88.100.35[070]) - DIA KIT, AUXILIARY CIRCUIT, SHEARS, W/ ELECTRICAL PROPORTIONAL CONTROL, BOOM, LINE (88) - ACCESSORIES

Схема запчастей Case CX350D LC - (88.100.35[070]) - DIA KIT, AUXILIARY CIRCUIT, SHEARS, W/ ELECTRICAL PROPORTIONAL CONTROL, BOOM, LINE (88) - ACCESSORIES
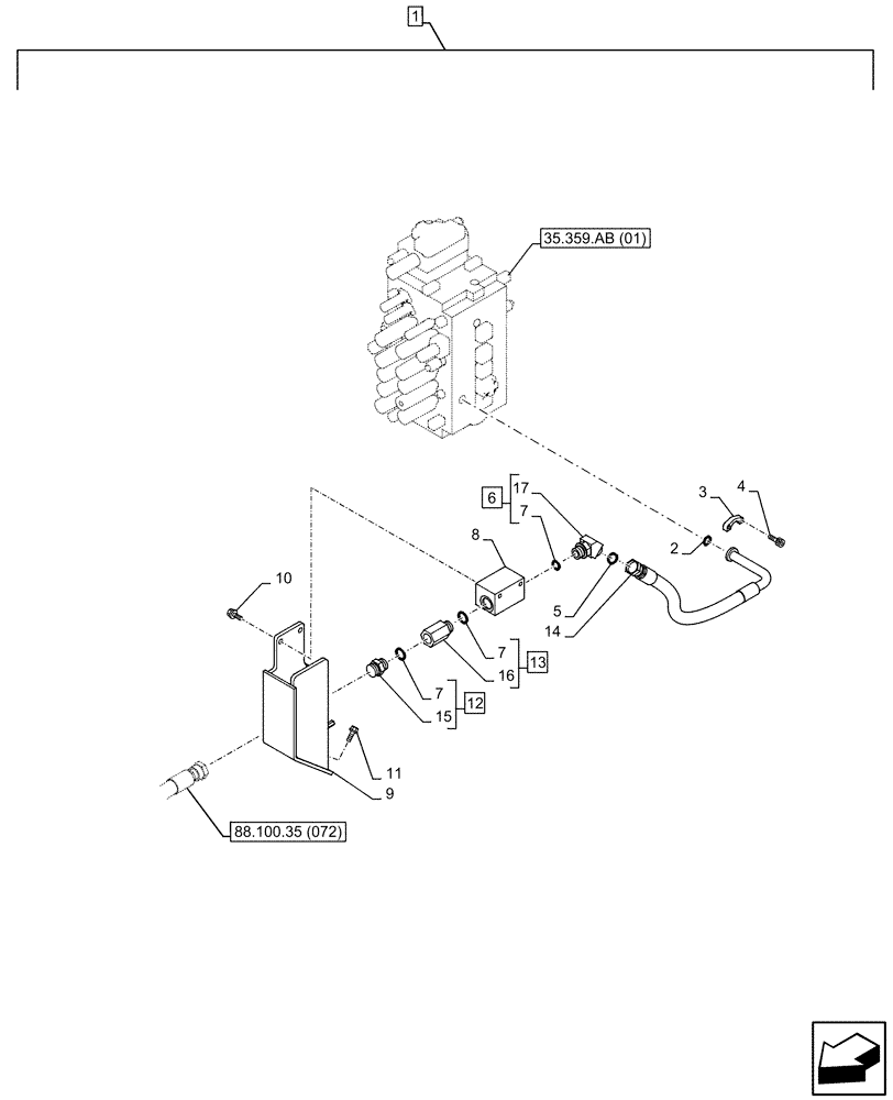
13
12
1
7
16
6
10
9
88.100.35 (072)
8
17
7
2
14
35.359.ab (01)
7
3
5
11
15
4
FIT
1:1
100%

Артикул

Название

Примечание

Количество

1

KG1SP083-00

CONSTRUCTION DIA

Double Acting Circuit, Incl 2 - 17

1шт.

To See Full DIA KIT Composition Look for all the Figures Where the DIA KIT P/N Is Shown

1шт.

2

155211A1

O-RING

1шт.

3

153459A1

FLANGE

2шт.

4

862-10030

HEX SOC SCREW,M10 x 30mm, Cl 12.9

4шт.

5

KHJ1361

O-RING,0.07" Thk x 0.926" ID

1шт.

6

KHJ11370

ELBOW

ASSY, Incl 7 (Qty 1), 17

1шт.

7

154523A1

O-RING

3шт.

8

KRJ12170

MANIFOLD VALVE

1шт.

9

KSJ17120

BRACKET

1шт.

10

166352A1

BOLT

2шт.

11

152718A1

BOLT,Spcl, Hex Wshr, M12 x 25mm, Cl 10.9

4шт.

12

KHJ1349

ADAPTER

ASSY, Incl 7 (Qty 1), 15

1шт.

13

KHJ25900

SOCKET

ASSY, Incl 7 (Qty 1), 16

1шт.

14

KSJ19080

HOSE

1шт.

15

NSS

NOT SOLD SEPARAT

Fitting, Incl in 12

1шт.

16

NSS

NOT SOLD SEPARAT

Fitting, Incl in 13

1шт.

17

NSS

NOT SOLD SEPARAT

45° Fitting, Incl in 6

1шт.

Выбрано товаров: 18