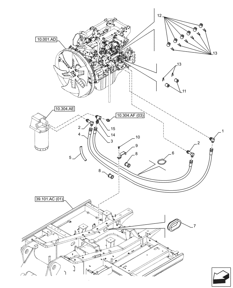
Запчасти Case CX350D LC (10.304.AF[02]) - VAR - 488034 - ENGINE OIL FILTER, DRAIN LINE (10) - ENGINE

Схема запчастей Case CX350D LC - (10.304.AF[02]) - VAR - 488034 - ENGINE OIL FILTER, DRAIN LINE (10) - ENGINE
39.101.ac (01)
13
4
8
6
2
2
14
1
15
13
3
11
9
8
7
5
10
12
10.304.af (03)
10.304.ae
10.001.ad
FIT
1:1
100%

Артикул

Название

Примечание

Количество

1

KHH14660

ELBOW

G3/4" x G3/4"

1шт.

2

KHH14690

ELBOW

G3/4"

2шт.

3

KSH12960

HYDRAULIC HOSE

1шт.

4

KSH12970

HYDRAULIC HOSE

19mm ID x 1200mm

1шт.

5

166123A1

PLASTIC-RUBBER TUBE

28mm ID x 300mm

2шт.

6

150496A1

MOUNTING CLIP

250mm

5шт.

7

KEJ0421

GROMMET

1шт.

8

KHJ2023

HOSE CLAMP

2шт.

9

KHH13550

BRACKET

1шт.

10

166351A1

BOLT,Sems, M10 x 20mm

M10 x 20mm

1шт.

11

KHH14570

CAP

2шт.

12

KHH14590

CAP

6шт.

13

KHH14600

LOCK PIN

8шт.

14

KHH14620

ADAPTER

G3/4" x G3/4"

1шт.

15

KHH17360

TEE

G3/4"

1шт.

Выбрано товаров: 15