Запчасти Case CX490D LC (88.100.35[215]) - DIA KIT, SAFETY VALVE, BOOM, CLAMP (88) - ACCESSORIES

Схема запчастей Case CX490D LC - (88.100.35[215]) - DIA KIT, SAFETY VALVE, BOOM, CLAMP (88) - ACCESSORIES
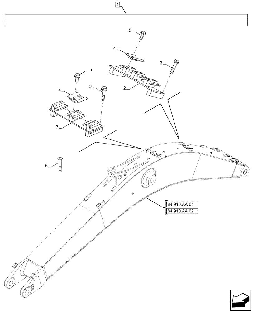
1
3
5
6
4
4
2
7
3
84.910.aa 02
84.910.aa 01
5
FIT
1:1
100%

Артикул

Название

Примечание

Количество

1

KG0TP704-00

CONSTRUCTION DIA

Hose Burst Check Valve, Incl 2 - 7

1шт.

To See Full DIA KIT Composition Look for all the Figures Where the DIA KIT P/N Is Shown

1шт.

2

KTV12830

BAR

1шт.

3

167183A1

BOLT,Sems, M12 x 60mm, Cl 10.9

M12 x 60mm

6шт.

4

KHV11400

PIPE CLAMP

3шт.

5

166352A1

BOLT

M12 x 30mm

6шт.

6

KHJ15080

CAP

M8

2шт.

7

KTV21060

BAR

2шт.

Выбрано товаров: 8