Запчасти Case CX490D LC (10.304.AF[02]) - VAR - 488034 - ENGINE OIL FILTER, DRAIN LINE (10) - ENGINE

Схема запчастей Case CX490D LC - (10.304.AF[02]) - VAR - 488034 - ENGINE OIL FILTER, DRAIN LINE (10) - ENGINE
10.001.ad
6
11
9
2
5
6
39.101.ac 02
10.304.af 03
13
90.105.bv 07
39.101.ac 01
4
4
10.304.ae
5
3
11
10
1
5
8
7
12
FIT
1:1
100%

Артикул

Название

Примечание

Количество

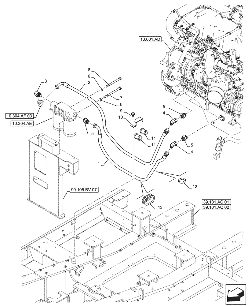
1

KTH15050

HYDRAULIC HOSE

from Oil Filter to Engine

1шт.

2

KTH14360

HYDRAULIC HOSE

from Oil Filter to Engine

1шт.

3

KHH14680

ELBOW

G1" x G3/4"

1шт.

4

167908A1

ELBOW

2шт.

5

KHH14640

ADAPTER

G1" x G3/4"

3шт.

6

150409A1

WASHER

5шт.

7

102R010Y140R

BOLT

M10 x 140mm

3шт.

8

102R010Y110R

BOLT

M10 x 110mm

2шт.

9

166351A1

BOLT,Sems, M10 x 20mm

1шт.

10

KHH13550

BRACKET

1шт.

11

KHJ2023

HOSE CLAMP

2шт.

12

150496A1

MOUNTING CLIP

250mm

2шт.

13

KMH11100

SEAL PROTECTION

280mm

1шт.

Выбрано товаров: 13