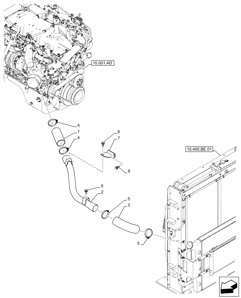
Запчасти Case CX490D LC (10.310.AB) - AFTERCOOLER LINE, ENGINE, OUTLET (10) - ENGINE

Схема запчастей Case CX490D LC - (10.310.AB) - AFTERCOOLER LINE, ENGINE, OUTLET (10) - ENGINE
10.400.be 01
8
1
4
6
3
6
7
5
5
2
4
10.001.ad
FIT
1:1
100%

Артикул

Название

Примечание

Количество

1

KTH15370

AIR HOSE

1шт.

2

KTH12660

PIPE

1шт.

3

KTH10100

AIR FLEXIBLE

1шт.

4

KHH0412

COLLAR

2шт.

5

KHH0411

COLLAR

2шт.

6

152718A1

BOLT,Spcl, Hex Wshr, M12 x 25mm, Cl 10.9

2шт.

7

KTH13190

BRACKET

1шт.

8

166352A1

BOLT

M12 x 30mm

1шт.

Выбрано товаров: 8