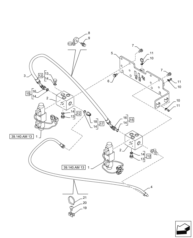
Запчасти Case CX490D RTC (39.140.AM[12]) - VAR - 481263 - LINES, HYDRAULIC, COUNTERWEIGHT (39) - FRAMES AND BALLASTING

Схема запчастей Case CX490D RTC - (39.140.AM[12]) - VAR - 481263 - LINES, HYDRAULIC, COUNTERWEIGHT (39) - FRAMES AND BALLASTING
7
3
13
19
14
9
10
14
14
1
14
6
39.140.am 13
16
7
12
20
11
2
12
8
2
11
14
11
13
4
15
16
12
39.140.am 13
13
1
10
17
18
14
15
21
5
10
FIT
1:1
100%

Артикул

Название

Примечание

Количество

1

KUJ0288

SOLENOID VALVE

ASSY

2шт.

2

KUJ0298

MANIFOLD VALVE

2шт.

3

KTJ17600

HYDRAULIC HOSE

9mm ID x 520mm

1шт.

4

KHJ1352

HYDRAULIC HOSE,9.52 mm ID x 600.00 mm

9mm ID x 600mm

1шт.

5

KTJ16850

BRACKET

1шт.

6

166352A1

BOLT

M12 x 30mm

4шт.

7

166052A1

BOLT

M12 x 25mm

8шт.

8

KHR2584

CLAMP

M8

1шт.

9

KHJ1215

BOLT,Spcl

1шт.

10

KHR10220

MOUNTING CLIP

6шт.

11

150496A1

MOUNTING CLIP

250mm

11шт.

12

153105A1

PLUG

ASSY, G3/8", Incl 13, 14 (Qty1)

3шт.

13

NSS

NOT SOLD SEPARAT

Plug, Incl in 12

3шт.

14

150031A1

O-RING,10mm ID x 24mm OD

5шт.

15

KHJ28590

ELBOW

ASSY, G3/8" x G3/8", Incl 16, 14 (Qty1)

2шт.

16

NSS

NOT SOLD SEPARAT

90° Fitting, Incl in 15

2шт.

17

KHJ28590

ELBOW

ASSY, G3/8" x G3/8", Incl 18, 14 (Qty1)

1шт.

18

NSS

NOT SOLD SEPARAT

90° Fitting, Incl in 17

1шт.

19

150860A1

COLLAR

2шт.

20

145N006S008R

SCREW,Pan Hd, M6 x 8mm, Cl 10.9

M6 x 8mm

2шт.

21

150496A1

MOUNTING CLIP

250mm

2шт.

Выбрано товаров: 21