Запчасти Case CX490D RTC (10.304.AF[01]) - ENGINE OIL FILTER, LINES (10) - ENGINE

Схема запчастей Case CX490D RTC - (10.304.AF[01]) - ENGINE OIL FILTER, LINES (10) - ENGINE
90.105.bv 07
9
8
5
39.101.ac 01
4
7
3
5
10.304.ae
11
13
39.101.ac 02
2
6
5
10.001.ad
10
12
11
4
1
6
FIT
1:1
100%

Артикул

Название

Примечание

Количество

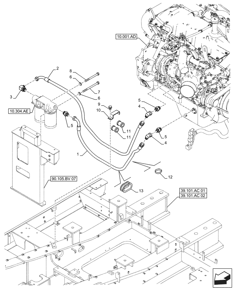
1

KTH15050

HYDRAULIC HOSE

from Oil Filter to Engine

1шт.

2

KTH14360

HYDRAULIC HOSE

from Oil Filter to Engine

1шт.

3

KHH14680

ELBOW

G1" x G3/4"

1шт.

4

167908A1

ELBOW

2шт.

5

KHH14640

ADAPTER

G1" x G3/4"

3шт.

6

150409A1

WASHER

5шт.

7

102R010Y140R

BOLT

M10 x 140mm

3шт.

8

102R010Y110R

BOLT

M10 x 110mm

2шт.

9

166351A1

BOLT,Sems, M10 x 20mm

1шт.

10

KHH13550

BRACKET

1шт.

11

KHJ2023

HOSE CLAMP

2шт.

12

150496A1

MOUNTING CLIP

250mm

2шт.

13

KMH11100

SEAL PROTECTION

280mm

1шт.

Выбрано товаров: 13