Запчасти Case CX500D LC (35.354.AC) - HYDRAULIC SWIVEL, STOP (35) - HYDRAULIC SYSTEMS

Схема запчастей Case CX500D LC - (35.354.AC) - HYDRAULIC SWIVEL, STOP (35) - HYDRAULIC SYSTEMS
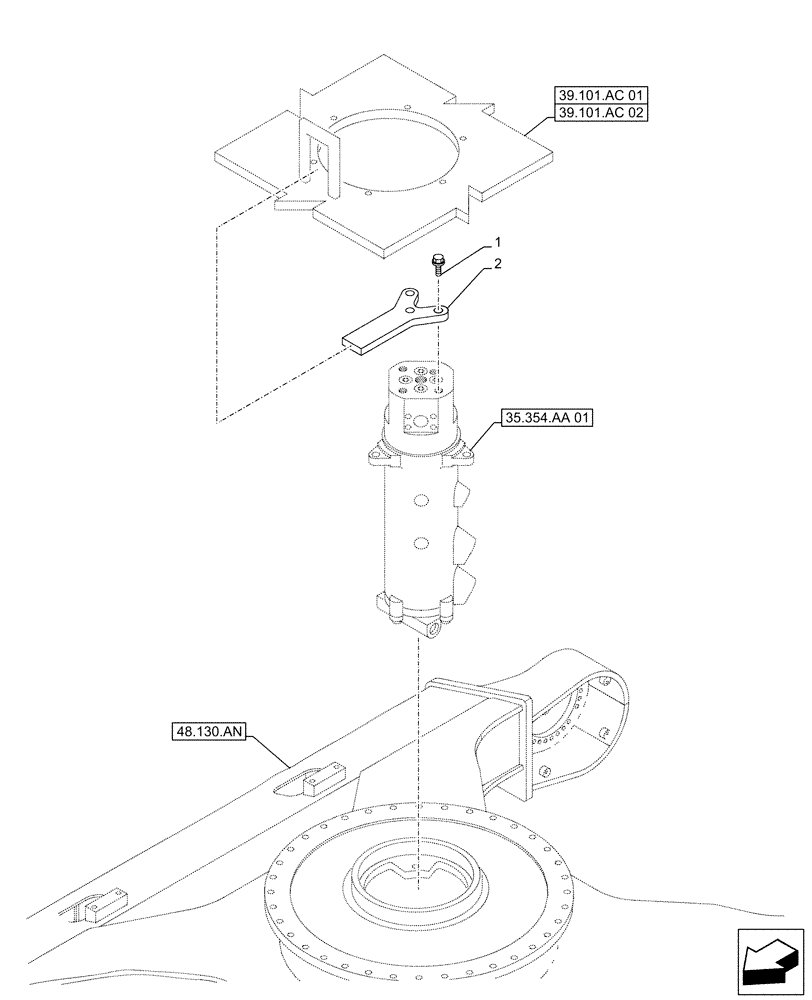
39.101.ac 02
1
2
35.354.aa 01
39.101.ac 01
48.130.an
FIT
1:1
100%

Артикул

Название

Примечание

Количество

1

166373A1

BOLT,Sems, M16 x 40mm

3шт.

2

KTA1150

STOP LOCK

1шт.

Выбрано товаров: 2