Запчасти Case CX500D LC (35.736.AC[02]) - LIFT CYLINDER, BOOM, LINE (35) - HYDRAULIC SYSTEMS

Схема запчастей Case CX500D LC - (35.736.AC[02]) - LIFT CYLINDER, BOOM, LINE (35) - HYDRAULIC SYSTEMS
1
6
4
6
2
5
3
1
4
3
35.736.ac 01
35.736.ac 01
35.359.ab 01
FIT
1:1
100%

Артикул

Название

Примечание

Количество

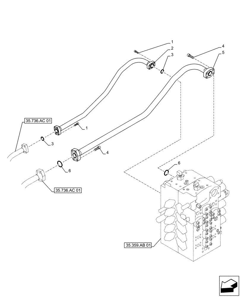
1

862-10035

HEX SOC SCREW,M10 x 35mm, Cl 12.9

8шт.

2

KTJ16730

PIPE

from Control Valve to Boom Cylinder

1шт.

3

152683A1

O-RING

2шт.

4

108R014Y045R

BOLT,Hex Skt, M14 x 45mm, Cl 12.9

8шт.

5

KTJ16720

PIPE

from Control Valve to Boom Cylinder

1шт.

6

153626A1

O-RING

2шт.

Выбрано товаров: 6