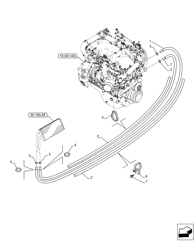
Запчасти Case CX500D LC (50.200.AB[01]) - AIR CONDITIONING, LINES (50) - CAB CLIMATE CONTROL

Схема запчастей Case CX500D LC - (50.200.AB[01]) - AIR CONDITIONING, LINES (50) - CAB CLIMATE CONTROL
50.100.af
2
1
5
3
4
3
7
3
3
6
1
2
4
10.001.ad
FIT
1:1
100%

Артикул

Название

Примечание

Количество

1

KHR30830

HOSE

16mm ID x 4900mm, from Engine to Unit Heater

2шт.

2

KBR0664

PLASTIC-RUBBER TUBE

25mm ID x 4800mm

2шт.

3

KHH10750

COLLAR

4шт.

4

150496A1

MOUNTING CLIP

250mm

4шт.

5

150071A1

MOUNTING CLIP

380mm

4шт.

6

KHR2581

CLAMP

8шт.

7

KHJ1215

BOLT,Spcl

M8 x 25mm

8шт.

Выбрано товаров: 7