Запчасти Case CX500D LC (55.000.00[02]) - SECTION INDEX - ELECTRICAL SYSTEMS (55) - ELECTRICAL SYSTEMS

Схема запчастей Case CX500D LC - (55.000.00[02]) - SECTION INDEX - ELECTRICAL SYSTEMS (55) - ELECTRICAL SYSTEMS
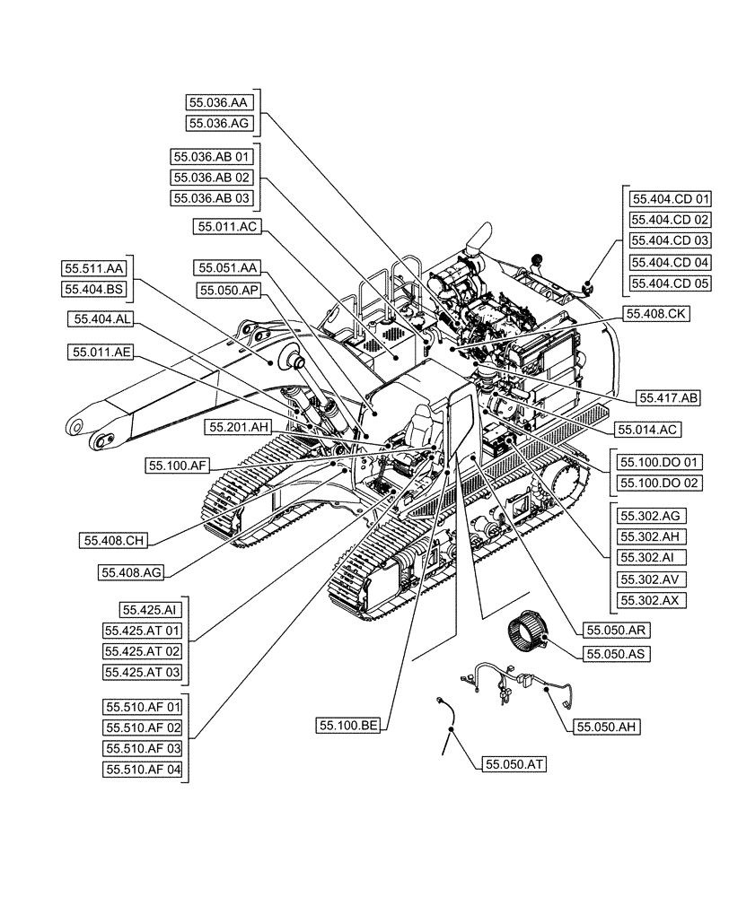
55.050.ap
55.408.ag
55.510.af 03
55.404.cd 05
55.510.af 02
55.302.ah
55.100.af
55.404.cd 02
55.201.ah
55.425.at 01
55.404.cd 01
55.100.do 01
55.510.af 04
55.425.at 02
55.302.ai
55.302.ax
55.011.ae
55.036.aa
55.036.ag
55.036.ab 03
55.014.ac
55.408.ch
55.404.al
55.100.be
55.425.ai
55.302.av
55.011.ac
55.511.aa
55.425.at 03
55.100.do 02
55.036.ab 02
55.510.af 01
55.050.ah
55.408.ck
55.036.ab 01
55.050.ar
55.404.cd 03
55.050.as
55.404.cd 04
55.404.bs
55.051.aa
55.302.ag
55.417.ab
55.050.at
FIT
1:1
100%