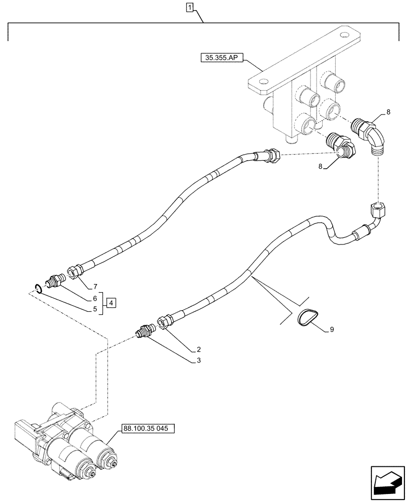
Запчасти Case CX500D LC (88.100.35[047]) - DIA KIT, HAMMER CIRCUIT, HIGH FLOW, W/ ELECTRICAL PROPORTIONAL CONTROL, SOLENOID VALVE, LINE (88) - ACCESSORIES

Схема запчастей Case CX500D LC - (88.100.35[047]) - DIA KIT, HAMMER CIRCUIT, HIGH FLOW, W/ ELECTRICAL PROPORTIONAL CONTROL, SOLENOID VALVE, LINE (88) - ACCESSORIES
3
1
9
35.355.ap
7
8
88.100.35 045
5
6
2
8
4
FIT
1:1
100%

Артикул

Название

Примечание

Количество

1

KG0TP655-00

CONSTRUCTION DIA

Multi-Purpose with 3 Way Valve Proportional, Incl 2 - 9

1шт.

To See Full DIA KIT Composition Look for all the Figures Where the DIA KIT P/N Is Shown

1шт.

2

KHJ2092

HOSE

6mm ID x 1100mm

1шт.

3

161841A1

HYD CONNECTOR

G1/4" x G1/4"

1шт.

4

152127A1

HYD CONNECTOR,1/4" NPT O-Ring x 1/4" NPT

ASSY, G1/4" x G1/4", Incl 5, 6

1шт.

5

154467A1

O-RING,10.8mm ID x 2.4mm Width

1шт.

6

NSS

NOT SOLD SEPARAT

Fitting, Incl in 4

1шт.

7

KHJ2051

HOSE

6mm ID x 1050mm

1шт.

8

KHJ28580

ELBOW

G1/4"

2шт.

9

150498A1

MOUNTING CLIP

297mm

8шт.

Выбрано товаров: 10