Запчасти Case CX500D LC (88.100.35[093]) - DIA KIT, CLAMSHELL BUCKET, ROTATION, W/ ELECTRICAL PROPORTIONAL CONTROL, PTO, COMPONENTS (88) - ACCESSORIES

Схема запчастей Case CX500D LC - (88.100.35[093]) - DIA KIT, CLAMSHELL BUCKET, ROTATION, W/ ELECTRICAL PROPORTIONAL CONTROL, PTO, COMPONENTS (88) - ACCESSORIES
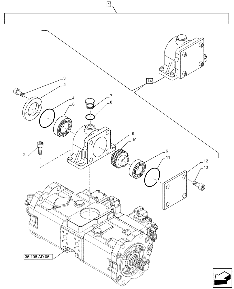
10
35.106.ad 05
11
9
1
2
6
14
7
6
5
12
8
3
13
4
FIT
1:1
100%

Артикул

Название

Примечание

Количество

1

KG0TP662-00

CONSTRUCTION DIA

Second Option Line Proportional, Incl 2 - 14

1шт.

To See Full DIA KIT Composition Look for all the Figures Where the DIA KIT P/N Is Shown

1шт.

2

862-12030

HEX SOC SCREW,M12 x 30mm, Cl 12.9

4шт.

3

863-10020

HEX SOC SCREW,M10 x 20mm, Cl 12.9

2шт.

4

154697A1

O-RING

1шт.

5

NSS

NOT SOLD SEPARAT

Cover, Incl in 14

1шт.

6

NSS

NOT SOLD SEPARAT

Bearing, Incl in 14

2шт.

7

155471A1

PLUG

1шт.

8

154503A1

O-RING

1шт.

9

NSS

NOT SOLD SEPARAT

Body, Incl in 14

1шт.

10

NSS

NOT SOLD SEPARAT

Gear, Incl in 14

1шт.

11

154733A1

O-RING

1шт.

12

LW005330

COVER

1шт.

13

861-12025

HEX SOC SCREW,M12 x 25mm, Cl 12.9

4шт.

14

KSJ14010

HYDRAULIC PUMP

ASSY, Incl 2 - 13

1шт.

Выбрано товаров: 15