Запчасти Case CX500D LC (35.106.AD[02]) - VARIABLE DELIVERY HYDRAULIC PUMP, COMPONENTS (35) - HYDRAULIC SYSTEMS

Схема запчастей Case CX500D LC - (35.106.AD[02]) - VARIABLE DELIVERY HYDRAULIC PUMP, COMPONENTS (35) - HYDRAULIC SYSTEMS
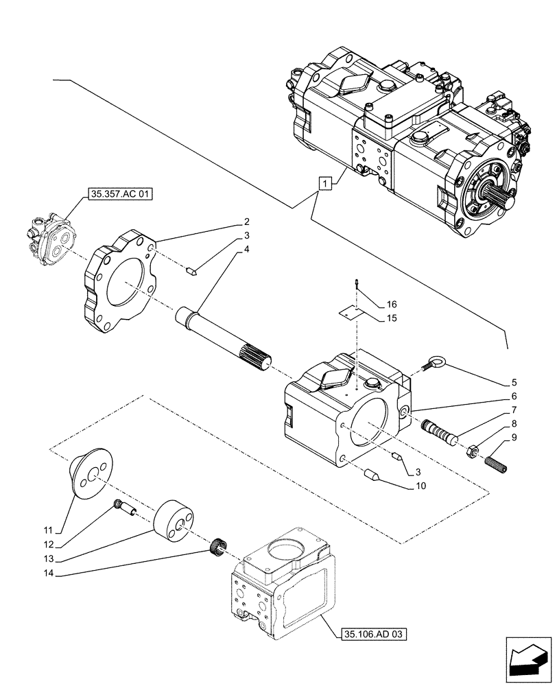
35.357.ac 01
15
2
7
9
10
12
13
6
8
1
5
3
11
3
16
14
4
35.106.ad 03
FIT
1:1
100%

Артикул

Название

Примечание

Количество

1

KTJ15661

HYDRAULIC PUMP

ASSY, Incl 2 - 16

1шт.

See also Figure 35.106.AD 01, 35.106.AD 03, 35.106.AD 04, 35.357.AC 01

1шт.

2

NSS

NOT SOLD SEPARAT

Cover, Incl in 1

1шт.

3

LA017130

PIN

2шт.

4

LB00928

DRIVE SHAFT

1шт.

5

LA017910

EYEBOLT

2шт.

6

LW007500

HOUSING

2шт.

7

LG00060

STOP

2шт.

8

LA016780

NUT

2шт.

9

LA018230

SCREW

2шт.

10

LA00569

DOWEL

2шт.

11

LR00058

PLATE

2шт.

12

LJ018800

PISTON

2шт.

13

LJ017760

SLEEVE CYLINDER

1шт.

14

LB00646

NEEDLE BEARING

2шт.

15

NSS

NOT SOLD SEPARAT

Nameplate, Incl in 1

1шт.

16

LA00027

RIVET

2шт.

Выбрано товаров: 0