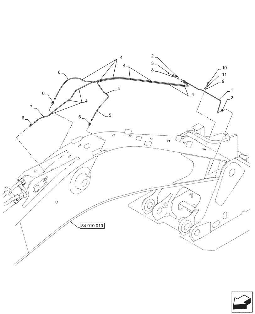
Запчасти Case CX750D RTC (71.460.010) - VAR - 461543 - BOOM, LUBRIFICATION LINE (71) - LUBRICATION SYSTEM

Схема запчастей Case CX750D RTC - (71.460.010) - VAR - 461543 - BOOM, LUBRIFICATION LINE (71) - LUBRICATION SYSTEM
84.910.010
6
2
3
9
4
2
4
10
11
7
4
5
4
6
6
8
6
1
4
FIT
1:1
100%

Артикул

Название

Примечание

Количество

1

KWV0106

HYD TUBE,6 mm ID x 8 mm OD

1шт.

2

152599A1

MULTIPOLE CONNECTOR

2шт.

3

153630A1

LUBE NIPPLE

4шт.

4

150067A1

MOUNTING CLIP

11шт.

5

KHJ2747

HOSE,3800.00 mm

2шт.

6

153603A1

ADAPTER

3шт.

7

KHJ12780

HYDRAULIC HOSE

1шт.

8

KRJ4050

ADAPTER

3шт.

9

151504A1

CLAMP

1шт.

10

627-8030

BOLT,Hex, M8 x 1.25 x 30mm, Cl 10.9, Full Thd

1шт.

11

153081A1

WASHER

1шт.

Выбрано товаров: 11