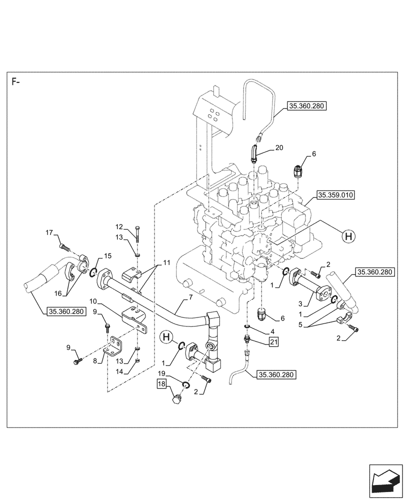
Запчасти Case CX750D RTC ME (35.360.300) - VAR - 461871 - HAMMER CIRCUIT, LINES, SHEARS, W/ ELECTRICAL PROPORTIONAL CONTROL (35) - HYDRAULIC SYSTEMS

Схема запчастей Case CX750D RTC ME - (35.360.300) - VAR - 461871 - HAMMER CIRCUIT, LINES, SHEARS, W/ ELECTRICAL PROPORTIONAL CONTROL (35) - HYDRAULIC SYSTEMS
35.359.010
1
19
6
18
10
9
7
15
12
17
5
16
2
1
2
13
20
2
13
11
9
21
4
6
8
1
14
3
35.360.280
35.360.280
35.360.280
35.360.280
FIT
1:1
100%

Артикул

Название

Примечание

Количество

1

153626A1

O-RING

3шт.

2

108R014Y045R

BOLT,Hex Skt, M14 x 45mm, Cl 12.9

12шт.

3

KWJ13330

PIPE

1шт.

4

150031A1

O-RING,10mm ID x 24mm OD

1шт.

5

150124A1

FLANGE

2шт.

6

KWJ15700

VALVE

2шт.

7

KWJ13360

PIPE

1шт.

8

KWJ13370

BRACKET

1шт.

9

105R012Y045R

BOLT

M12 x 45mm

2шт.

10

KWJ13381

BRACKET

1шт.

11

KWJ10510

CLAMP

2шт.

12

102R012Y095R

BOLT

M12 x 95mm

2шт.

13

150811A1

WASHER

4шт.

14

162R012VR

NUT

2шт.

15

162484A1

O-RING

1шт.

16

KTJ0169

FLANGE

2шт.

17

862-16050

HEX SOC SCREW,M16 x 50mm, Cl 12.9

4шт.

18

162659A1

PLUG

ASSY, Incl 19

1шт.

19

152211A1

O-RING

1шт.

20

KHJ28880

ELBOW

1шт.

21

153378A1

ADAPTER

ASSY, Incl 4

1шт.

Выбрано товаров: 21