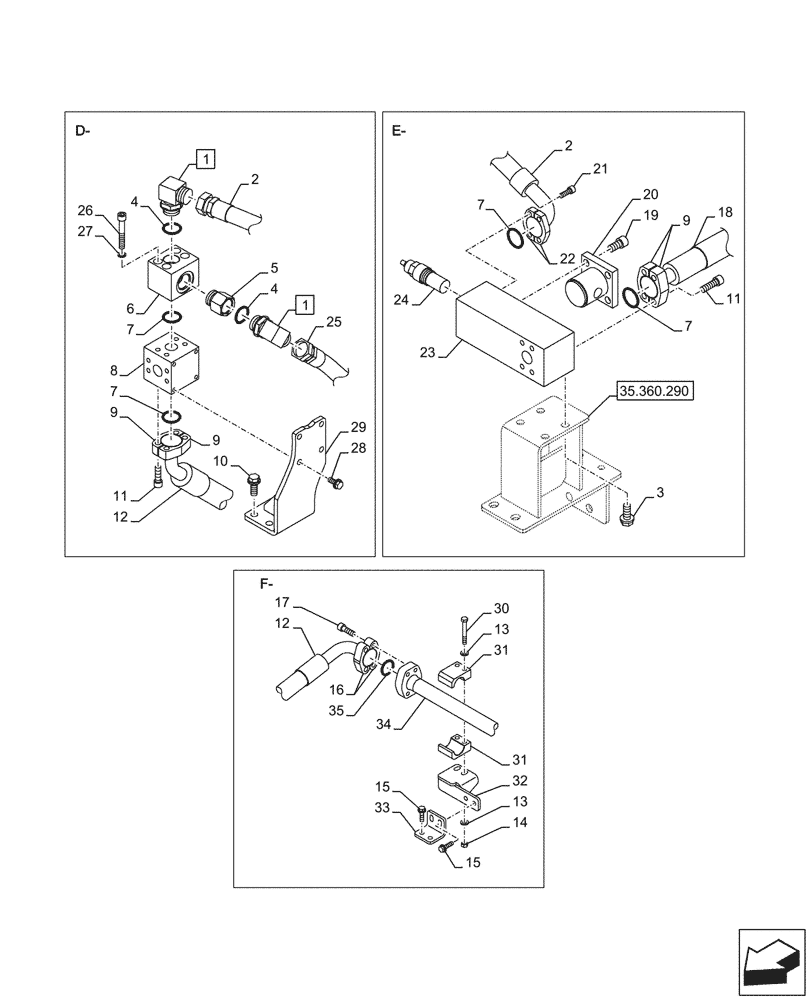
Запчасти Case CX750D RTC ME (35.360.370) - VAR - 461563 - HAMMER CIRCUIT, LINES, HIGH FLOW, W/ ELECTRICAL PROPORTIONAL CONTROL (35) - HYDRAULIC SYSTEMS

Схема запчастей Case CX750D RTC ME - (35.360.370) - VAR - 461563 - HAMMER CIRCUIT, LINES, HIGH FLOW, W/ ELECTRICAL PROPORTIONAL CONTROL (35) - HYDRAULIC SYSTEMS
35.360.290
8
18
1
27
30
22
25
5
13
35
21
14
20
11
12
7
7
10
31
17
7
31
4
16
33
2
2
4
7
3
29
12
24
15
1
23
13
9
19
6
28
9
9
11
34
32
15
26
FIT
1:1
100%

Артикул

Название

Примечание

Количество

1

157582A1

ELBOW,90 Degree, 1 1/4" O-Ring x 1 1/4"

ASSY, Incl 4

2шт.

2

KWJ15650

HYDRAULIC HOSE

From Direction Valve to Manifold

1шт.

3

166373A1

BOLT,Sems, M16 x 40mm

4шт.

4

150583A1

O-RING

2шт.

5

KHJ33440

ADAPTER

1шт.

6

162667A1

MANIFOLD

1шт.

7

153626A1

O-RING

1шт.

8

KHJ17380

VALVE

1шт.

9

150124A1

FLANGE

2шт.

10

166348A1

BOLT

4шт.

11

108R014Y045R

BOLT,Hex Skt, M14 x 45mm, Cl 12.9

4шт.

12

KWJ13350

HYDRAULIC HOSE

From Direction Valve to Control Valve

1шт.

13

150811A1

WASHER

4шт.

14

162R012VR

NUT

2шт.

15

105R012Y045R

BOLT

2шт.

16

KTJ0169

FLANGE

2шт.

17

862-16050

HEX SOC SCREW,M16 x 50mm, Cl 12.9

4шт.

18

KWJ15640

HYDRAULIC HOSE

From Manifold to Control Valve

1шт.

19

862-16030

HEX SOC SCREW,M16 x 30mm, Cl 12.9

4шт.

20

KHJ17370

MANIFOLD VALVE

1шт.

21

862-10030

HEX SOC SCREW,M10 x 30mm, Cl 12.9

4шт.

22

157856A1

CLAMP BRACKET

2шт.

23

KSJ2740

MANIFOLD

1шт.

24

162656A1

VALVE

1шт.

25

KWJ13410

HYDRAULIC HOSE

From Direction Valve to Control Valve

1шт.

26

862-14090

HEX SOC SCREW,M14 x 90mm, Cl 12.9

4шт.

27

184-014VR

SPRING WASHER

4шт.

28

166352A1

BOLT

4шт.

29

KWJ13970

BRACKET

1шт.

30

102R012Y095R

BOLT

2шт.

31

KWJ10510

CLAMP

2шт.

32

KWJ13381

BRACKET

1шт.

33

KWJ13370

BRACKET

1шт.

34

KWJ13360

PIPE

From Direction Valve to Control Valve

1шт.

35

162484A1

O-RING

1шт.

Выбрано товаров: 0