Запчасти Case CX750D RTC ME (05.100.03[01]) - FILTERS (05) - SERVICE & MAINTENANCE

Схема запчастей Case CX750D RTC ME - (05.100.03[01]) - FILTERS (05) - SERVICE & MAINTENANCE
7
11
1
13
12
4
5
4
9
14
8
6
10
15
3
2
FIT
1:1
100%

Артикул

Название

Примечание

Количество

*

-

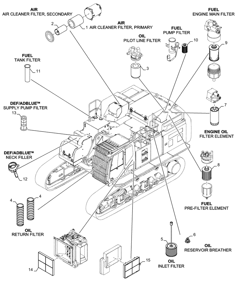
AIR FILTERS

1шт.

1

KWH0029

AIR CLEANER

Air Cleaner, Primary, Replace every 1000 Hours

1шт.

2

KWH0050

AIR FILTER

Air Cleaner, Secondary, Replace every 1000 Hours

1шт.

*

-

OIL FILTERS

1шт.

3

KHJ17730

HYDRAULIC OIL FILTER

Pilot Line Filter Element, Replace every 2000 Hours (After 250 hours of operation in run-in period)

1шт.

4

KTJ11630

HYDRAULIC OIL FILTER

Return, Replace every 2000 Hours (After 250 hours of operation in run-in period)

1шт.

5

KWJ12070

FILTER STRAINER

Inlet, Replace every 5000 Hours

1шт.

6

159702A1

HYDRAULIC OIL FILTER

Reservoir Breather, Replace every 1000 Hours

1шт.

*

-

ENGINE OIL FILTERS

1шт.

7

47978734

ELEMENT

Element, Replace every 500 Hours

1шт.

*

-

FUEL FILTERS

1шт.

8

KHH12560

FUEL FILTER

Element, Replace every 500 Hours

1шт.

9

47947003

ELEMENT

Element, Replace every 500 Hours

1шт.

10

KHH11890

FILTER SCREEN

Fuel Pump

1шт.

11

KHH10060

FILTER

Fuel Tank

1шт.

*

-

DEF/ADBLUE™ FILTERS

1шт.

12

KHH15591

FILTER

Urea Tank

1шт.

13

47703146

FILTER

Supply Module, Replace every 2000 Hours

1шт.

*

-

AIR CONDITIONING/HEATER FILTERS

1шт.

14

KHR27540

CAB FILTER

Circulation, Replace every 2000 Hours

1шт.

*

-

CAB FILTERS

1шт.

15

KHR27260

CAB FILTER

Suction, Replace every 2000 Hours

1шт.

Выбрано товаров: 22