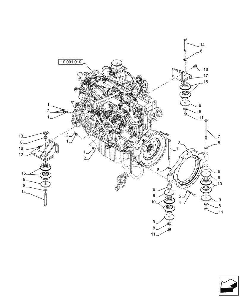
Запчасти Case CX750D RTC ME (10.001.020) - STD + VAR - 488034 - ENGINE, SUPPORT (10) - ENGINE

Схема запчастей Case CX750D RTC ME - (10.001.020) - STD + VAR - 488034 - ENGINE, SUPPORT (10) - ENGINE
9
9
8
10
1
8
9
1
14
9
10
7
6
4
9
5
16
2
7
1
14
11
12
15
17
9
16
1
11
6
8
8
15
13
11
2
8
8
2
8
10.001.010
3
8
FIT
1:1
100%

Артикул

Название

Примечание

Количество

1

KHH14570

CAP

10шт.

2

KHH14600

LOCK PIN

10шт.

3

KUH10020

FLANGE

1шт.

4

827-12085

BOLT,Hex, M12 x 1.75 x 85mm, Cl 10.9

12шт.

5

150811A1

WASHER

12шт.

6

KUH0152

SPACER

2шт.

7

KUH0151

BOLT

2шт.

8

150822A1

WASHER,25mm ID x 48mm OD x 6mm Thk

8шт.

9

KUH0013

PLATE

6шт.

10

KUH10370

SILENTBLOC

4шт.

11

829-1424

NUT,M24, Cl 10

3шт.

12

KWH0030

ENGINE MOUNT

1шт.

13

KWH0033

SPECIAL NUT

1шт.

14

102R024Y200R

BOLT

2шт.

15

KUH0115

SILENTBLOC

4шт.

16

166470A1

BOLT,M14, W/ Wshr

BOLT;SEMS

8шт.

17

KUH0150

ENGINE MOUNT

1шт.

Выбрано товаров: 17