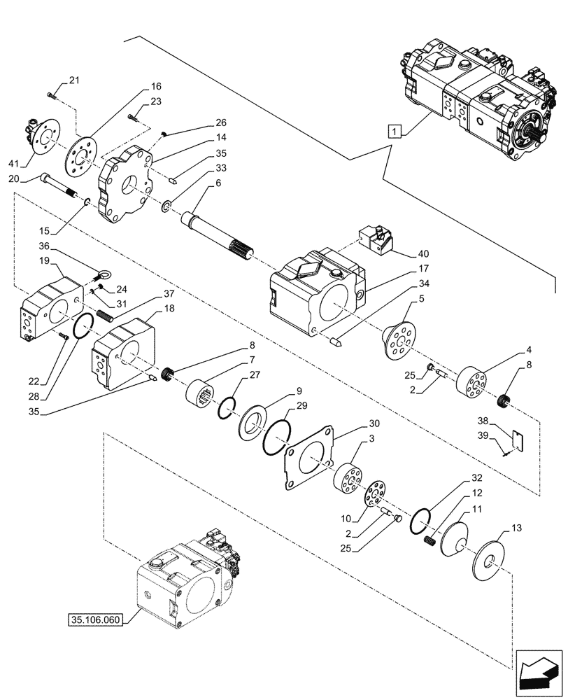
Запчасти Case CX750D RTC ME (35.106.050) - HYDRAULIC PUMP, COMPONENTS (35) - HYDRAULIC SYSTEMS

Схема запчастей Case CX750D RTC ME - (35.106.050) - HYDRAULIC PUMP, COMPONENTS (35) - HYDRAULIC SYSTEMS
35.106.060
18
2
29
21
14
39
24
27
4
22
36
10
32
40
1
20
37
23
15
5
38
34
19
35
3
17
25
28
6
12
7
30
25
35
2
8
16
33
11
31
41
26
9
13
8
FIT
1:1
100%

Артикул

Название

Примечание

Количество

1

KWJ12041

HYDRAULIC PUMP

ASSY, Incl 2 - 41

1шт.

See also Figure 35.106.060

1шт.

2

LJ017030

PISTON

2шт.

3

LS00092

CYLINDER BLOCK

1шт.

4

LS00091

CYLINDER BLOCK

1шт.

5

LR00421

PLATE

2шт.

6

LB01016

SHAFT

1шт.

7

LB00429

SHAFT

1шт.

8

LB01015

BEARING

2шт.

9

LJ00582

HOLDER

1шт.

10

LR00761

PLATE

2шт.

11

LB00434

BUSHING

2шт.

12

LG00254

COMPRESSION SPRING

18шт.

13

LR024160

SHOE

2шт.

14

LS004720

SUPPORT

1шт.

15

LA00795

WASHER

4шт.

16

LW00264

COVER

1шт.

17

LW006910

BODY

1шт.

18

LW006920

COVER

1шт.

19

LW006930

COVER

1шт.

20

LA00590

BOLT,Hex Skt Hd

4шт.

21

LA018100

BOLT

4шт.

22

LA018200

BOLT

2шт.

23

LA018210

BOLT

4шт.

24

155496A1

PLUG

2шт.

25

155471A1

PLUG

4шт.

26

LK006340

PLUG

15шт.

27

LE018020

O-RING

1шт.

28

LE019700

O-RING

2шт.

29

LE019690

O-RING

1шт.

30

LE022170

SEAL

19шт.

31

LE013410

O-RING

4шт.

32

LE013440

O-RING

4шт.

33

LA018220

RING

1шт.

34

LA00569

DOWEL

2шт.

35

LA017990

PIN

5шт.

36

LA018820

BANJO BOLT

2шт.

37

LA00595

SCREW,Hex Skt

2шт.

38

LM001230

NAMEPLATE

1шт.

39

LA00027

RIVET

2шт.

40

LL002000

REGULATOR

2шт.

41

LJ023370

PUMP

1шт.

Выбрано товаров: 42