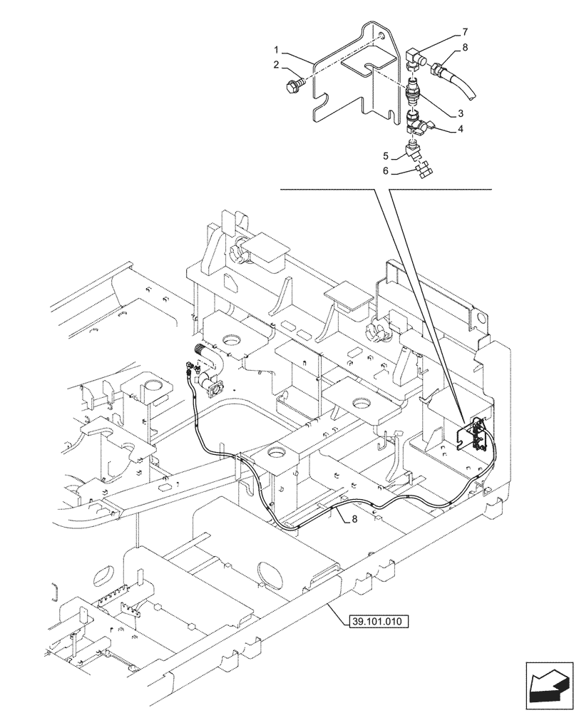
Запчасти Case CX750D RTC ME (35.300.040) - VAR - 488034 - HYDRAULIC OIL RESERVOIR, DRAIN LINE (35) - HYDRAULIC SYSTEMS

Схема запчастей Case CX750D RTC ME - (35.300.040) - VAR - 488034 - HYDRAULIC OIL RESERVOIR, DRAIN LINE (35) - HYDRAULIC SYSTEMS
39.101.010
8
3
2
4
6
5
8
1
7
FIT
1:1
100%

Артикул

Название

Примечание

Количество

1

KWJ15600

BRACKET

1шт.

2

166352A1

BOLT

M12 x 30mm

2шт.

3

KHJ0511

ADAPTER

G3/8"

1шт.

4

KHJ1968

DRAINCOCK/TAP SUPPLY

1шт.

5

153488A1

ADAPTER

1шт.

6

158843A1

PLUG

G3/8"

1шт.

7

153526A1

ELBOW

1шт.

8

KHJ2824

HYDRAULIC HOSE

L=3450mm

1шт.

Выбрано товаров: 8