Запчасти Case CX750D RTC ME (35.352.020) - SWING REDUCTION UNIT (35) - HYDRAULIC SYSTEMS

Схема запчастей Case CX750D RTC ME - (35.352.020) - SWING REDUCTION UNIT (35) - HYDRAULIC SYSTEMS
12
14
31
9
30
34
26
33
15
21
4
18
17
7
29
19
13
8
25
24
2
20
5
2
1
16
3
14
8
22
9
32
28
27
10
9
11
23
6
FIT
1:1
100%

Артикул

Название

Примечание

Количество

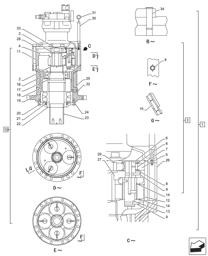
1

KUC0021

GEAR REDUCTION UNIT

ASSY, Incl 2 - 9 (Qty 14), 10 - 32

2шт.

2

150471A1

PLATE, THRUST

4шт.

3

KSC0243

CARRIER

ASSY, Incl 4 - 9 (Qty 6)

2шт.

4

150532A1

BEARING CARRIER

2шт.

5

167057A1

GEAR, PLANETARY

6шт.

6

167056A1

PIN

6шт.

7

167058A1

BEARING, NEEDLE

6шт.

8

150458A1

WASHER, THRUST

12шт.

9

738-1836

LOCK PIN,M8 x 36, Slotted

28шт.

10

KSC0244

HOUSING

ASSY, Incl 9 (Qty 8), 11 - 14

2шт.

11

150534A1

HOUSING

2шт.

12

150544A1

SUN GEAR

8шт.

13

150456A1

GEAR SHAFT

8шт.

14

150463A1

WASHER, THRUST

16шт.

15

150474A1

PIN

8шт.

16

150260A1

ROLLER BEARING,120 mm ID x 215 mm OD x 58 mm

2шт.

17

150500A1

SPACER

2шт.

18

150503A1

SPACER

2шт.

19

150491A1

ROLLER BEARING,130mm ID x 280mm OD x 93mm W

2шт.

20

862-10030

HEX SOC SCREW,M10 x 30mm, Cl 12.9

32шт.

21

150494A1

OIL SEAL

2шт.

22

150468A1

HOLDER

2шт.

23

KUC0007

SHAFT

2шт.

24

158854A1

RETAINER

2шт.

25

KUC0006

HOUSING

2шт.

26

150528A1

PINION

2шт.

27

150538A1

SUN GEAR

2шт.

28

150483A1

BOLT,Hex Skt, M20

24шт.

29

150536A1

SUN GEAR

2шт.

30

150435A1

COLUMN JACKET

2шт.

31

150438A1

GAUGE

2шт.

32

150825A1

PLUG

2шт.

33

800-1145

SNAP RING,M45, Ext

2шт.

34

150317A1

HEADED PIN,24mm OD x 90mm L

2шт.

Выбрано товаров: 34