Запчасти Case 120 (011) - TRACK SHOES, PINS AND LINKS (48) - TRACKS & TRACK SUSPENSION

Схема запчастей Case 120 - (011) - TRACK SHOES, PINS AND LINKS (48) - TRACKS & TRACK SUSPENSION
FIT
1:1
100%

Артикул

Название

Примечание

Количество

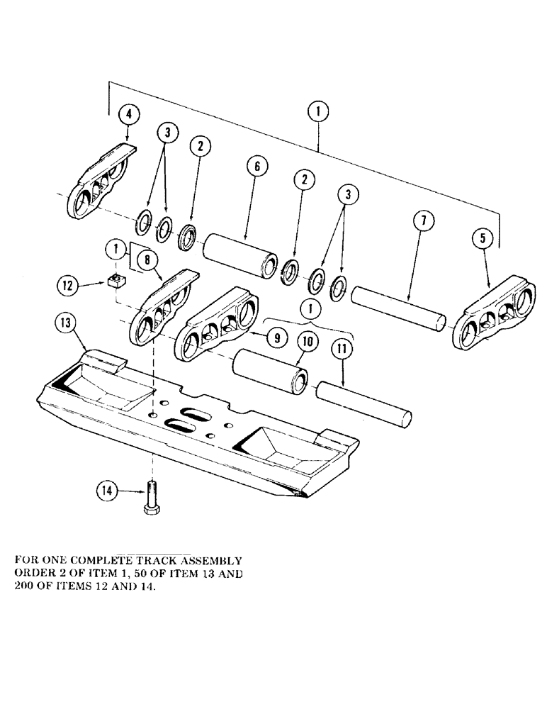
1

S508931

TRACK CHAIN ASSEMBLY

4шт.

2

S101400

SPACER, master link

2шт.

3

S101401

WASHER, seal

4шт.

4

S101413

LINK, track master - (Right hand)

1шт.

5

S101414

LINK, track master - (Left hand)

1шт.

6

S101397

BUSHING, master link

1шт.

7

S101436

PIN, master link

1шт.

8

S101392

LINK, track - (Right hand)

24шт.

9

S101393

LINK, track - (Left hand)

24шт.

10

S101396

BUSHING, track link

24шт.

11

S101435

PIN, track link

24шт.

12

S96605

NUT

- 7/8" NF

100шт.

13

S953716

SHOE, track - (Flat) - (36")

25шт.

14

S96586

CPSW - 7/8" NF x 1-3/16" - (Supersedes S96604)

100шт.

Выбрано товаров: 0