Запчасти Case 120 (021) - DOUBLE FLANGE TRACK ROLLER, LOWER TRACK ROLLER (48) - TRACKS & TRACK SUSPENSION

Схема запчастей Case 120 - (021) - DOUBLE FLANGE TRACK ROLLER, LOWER TRACK ROLLER (48) - TRACKS & TRACK SUSPENSION
FIT
1:1
100%

Артикул

Название

Примечание

Количество

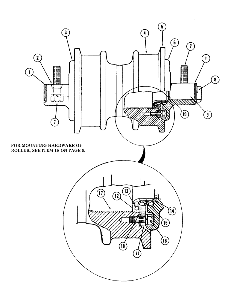
S508655

ROLLER, double flange track

2шт.

1

S64463

RING

2шт.

2

S64404

LOCK

1шт.

3

S64443

COLLAR

1шт.

4

S64444

ROLLER ASSY.

ROLLER AND BEARING ASSEMBLY

1шт.

5

NSS

NOT SOLD SEPARAT

ROLLER

2шт.

6

S64450

COLLAR

1шт.

7

S64661

CPSW

4шт.

S64662

WASHER

4шт.

8

S105540

PLUG

- (Supersedes S64664)

1шт.

S64691

SEAL

1шт.

9

S64464

SHAFT

1шт.

10

S64541

SEAL

2шт.

11

S64600

RETAINER

ASSEMBLY

2шт.

12

S64614

WASHER

1шт.

13

S64601

PIN

4шт.

14

S64560

SEAL GROUP

2шт.

15

S64597

RING

2шт.

16

S64598

CPSW

12шт.

S64599

WASHER, lock

12шт.

17

S64449

BEARING

2шт.

18

S64659

SEAL

2шт.

Выбрано товаров: 0