Запчасти Case 120 (165) - TRACK DRIVE MOTOR DRAIN LINES (48) - TRACKS & TRACK SUSPENSION

Схема запчастей Case 120 - (165) - TRACK DRIVE MOTOR DRAIN LINES (48) - TRACKS & TRACK SUSPENSION
FIT
1:1
100%

Артикул

Название

Примечание

Количество

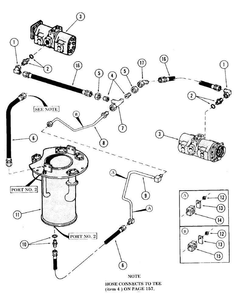
1

S10357

ELBOW

90 degrees swivel - (1/2" tube) - 3/4" - 16 male x 3/4" - female - 37 degrees flared

2шт.

2

S84751

HYD CONNECTOR

CONNECTOR - (1/2" tube) - 9/16" - 18 male x 3/4" - 16 male - 37 degrees flared

2шт.

S6059

O-RING,0.078" Thk x 0.468" ID, -906, Cl 6, 90 Duro

"O" RING - .3468" ID x .624" OD

2шт.

3

REF

INSTRUCTION

MOTOR, track drive - (For breakdown, see Figure 229)

2шт.

4

S101833

ADAPTER

reducing - (3/4" x 3/8" tube reduction) - 9/16" - 18 male

2шт.

5

S6277

NUT

- (3/8" tube) - 1-1/16" - 12 female - 37 degrees flared

2шт.

6

S76155

HOSE

high pressure - 5/8" ID x 28" long - (With 1-1/16" - 12 female pressed on couplings)

2шт.

7

S60462

TEE

- (3/4" tube) - 1-1/16" - 12 male x 1-1/16" - 12 female x 1-1/16" - 12 male - 37 degrees flared

1шт.

8

S224847

LINE, hydraulic 0.75" OD

1шт.

9

S508325

LINE

hydraulic

1шт.

10

S7969

CONNECTOR, ELEC

CONNECTOR - (3/4" tube) - 1-5/16" - 12 male x 1-1/16" - 12 male - 37 degrees flared

1шт.

S6069

O-RING,1.171" ID x 0.116" Width

"O" RING - 1.171" ID x 1.403" OD

1шт.

11

REF

INSTRUCTION

SWIVEL, 5-port hydraulic - (For breakdown, see Figure 239)

1шт.

12

S17169

INSTRUCTION

NUT, self locking - 1/2" NC

3шт.

13

S90688

BAR

3шт.

14

S97965

CLAMP

wood

2шт.

15

S89086

CLAMP

wood

1шт.

16

S11227

HOSE

high pressure - 3/4" ID x 36" long - (With 3/4" - 16 female pressed on couplings)

2шт.

17

S9490

ELBOW

45 degrees swivel - (3/4" tube) - 3/4" - 16 male x 3/4" - 16 female - 37 degrees flared

1шт.

Выбрано товаров: 0