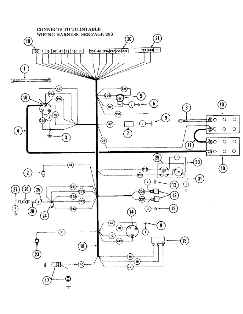
Запчасти Case 120 (285) - ENGINE WIRING HARNESS AND ELECTRICAL COMPONENTS, USED ON UNITS WITH SERIAL NO. 65521 THRU 6287223 (55) - ELECTRICAL SYSTEMS

Схема запчастей Case 120 - (285) - ENGINE WIRING HARNESS AND ELECTRICAL COMPONENTS, USED ON UNITS WITH SERIAL NO. 65521 THRU 6287223 (55) - ELECTRICAL SYSTEMS
FIT
1:1
100%

Артикул

Название

Примечание

Количество

1

S81455

STRAP

ground -, Serial Range: (Engine-turntable)

2шт.

S7397

WASHER

flat - 9/16"

2шт.

S17169

INSTRUCTION

NUT, self locking - 1/2" NC

2шт.

S2429

BOLT (MACHINE)

CPSW - 7/16" NC x 3/4" gr 5 -, Serial Range: (Strap-engine)

1шт.

S7389

WASHER

flat - 7/16"

1шт.

S4398

WASHER, LOCK

- 7/16"

1шт.

2

S27826M1

X

SENDING UNIT, oil pressure

1шт.

S17550

PLUG

BUSHING, reducer - 1/4" - 18 NPT male x 1/8" - 27 NPT female - (Into engine)

1шт.

S62654

NIPPLE, LUBE

ADAPTER, pipe - 1/8" - 27 NPT male x 1/8" - 27 NPT male (Into reducer bushing)

1шт.

S17977

TEE

- 1/8" - 27 NPT female x 1/8" - 27 NPT female x 1/8" - 27 NPT female - (Mounts oil pressure switch (Item, Serial Range: 24)-engine)

1шт.

3

S81455

STRAP

CABLE - (Starter, Serial Range: ground-engine)

1шт.

4

S224981

CABLE

-, Serial Range: (Battery-starter)

1шт.

S15541

CLAMP

- (Secures cable)

2шт.

S73386

FASTENER

TIE, cable - (Secures cable)

1шт.

5

S109587

SWITCH

magnetic - (Supersedes S96652)

1шт.

S7380

WASHER

flat - 9/32"

6шт.

231-1444

NUT,1/4"-20, GB

NUT, LOCK, 1/4"-20, GB

2шт.

6

S223612

WIRE, jumper - 12 gauge wire x 6" long - (Used on ground wire)

1шт.

7

REF

INSTRUCTION

SHUT-OFF, engine - (Furnished with engine)

1шт.

8

S96720

CABLE

STRAP, ground - (Battery ground) - (Mount to existing stud that supports battery box)

1шт.

S17169

INSTRUCTION

NUT, self locking - 1/2" NC

1шт.

9

S223611

WIRE, jumper - 12 gauge wire x 4" long - (Used as ground wire)

2шт.

10

REF

INSTRUCTION

BATTERY - 12V - 225 amps at 20 hour rate, 178 plates - (Purchase locally)

2шт.

11

S224980

CABLE

battery -, Serial Range: (Battery-battery)

1шт.

12

S226675

ELECTRICAL WIRE

WIRE, jumper - 16 gauge wire x 16" long - (Used as ground wire)

2шт.

13

REF

INSTRUCTION

VALVE, clutch in and out solenoid - (For breakdown, see Figure 257)

2шт.

14

REF

INSTRUCTION

ALTERNATOR - 24 Volt, 30 amp - (Furnished with engine)

1шт.

15

REF

INSTRUCTION

REGULATOR, voltage - (Furnished with engine)

1шт.

S70973

TERMINAL CONNECTOR

CONNECTOR - (Not illustrated)

1шт.

16

REF

INSTRUCTION

STARTER - (Furnished with engine)

1шт.

17

REF

INSTRUCTION

KIT, cold weather starting - (For breakdown, see Figure 301)

1шт.

18

S607362

WIRING HARNESS, engine - (Clamps and hardware listed under item 22 are not illustrated)

1шт.

19

S72217

ROD, CONNECTING

BLOCK, connector

1шт.

20

S72152

CONNECTOR, ELEC

BLOCK, connector

1шт.

21

S72156

ROD, CONNECTING

BLOCK, connector

1шт.

22

S73387

CLIP

TIE, cable - (Used with wire No. 97) - (Not illustrated)

4шт.

S75865

CLAMP

- (Used with wire No. 97)

1шт.

S64985

CLAMP

- (Mounts harness to right thermostat housing)

1шт.

S84479

CLAMP

- (Harness to rear of engine)

1шт.

S76696

CLAMP

-, Serial Range: (Harness-engine)

5шт.

S15541

CLAMP

-, Serial Range: (Harness-engine)

1шт.

S4222

NUT

- 3/16" NC - (Used with S15541 clamp)

1шт.

S77322

CLAMP

-, Serial Range: (Harness-engine)

6шт.

S7395

WASHER

flat - 9/16"

6шт.

S17169

INSTRUCTION

NUT, self locking - 1/2"

6шт.

S75865

CLAMP

- (Harness to voltage regulator mounting bracket)

1шт.

S73387

CLIP

TIE, cable - (Used with harness at voltage regulator)

1шт.

23

S27825M1

X

SENDING UNIT, engine temperature

1шт.

24

S63884

SWITCH

pressure

1шт.

25

S234892

ELECTRICAL WIRE

WIRE, jumper

1шт.

26

S109926

DIODE

1шт.

27

S234893

ELECTRICAL WIRE

WIRE, jumper

1шт.

28

S62256

LOOM

- (Bulk) - 1 piece x 12" long

1шт.

29

REF

INSTRUCTION

PUMP, auxiliary - (For pump, see Figure 189)

1шт.

30

S224615

ELECTRICAL WIRE

WIRE, jumper

1шт.

31

S73079

STRAP, ground - (Auxiliary, Serial Range: pump-turntable)

1шт.

S7387

WASHER

flat - 3/8"

1шт.

S4396

WASHER, LOCK

- 3/8"

1шт.

S17167

INSTRUCTION

NUT, self locking - 3/8" NC

1шт.

Выбрано товаров: 59