Запчасти Case 120 (105) - EXCAVATOR BUCKETS WITH ESCO CUTTING EDGE (84) - BOOMS, DIPPERS & BUCKETS

Схема запчастей Case 120 - (105) - EXCAVATOR BUCKETS WITH ESCO CUTTING EDGE (84) - BOOMS, DIPPERS & BUCKETS
FIT
1:1
100%

Артикул

Название

Примечание

Количество

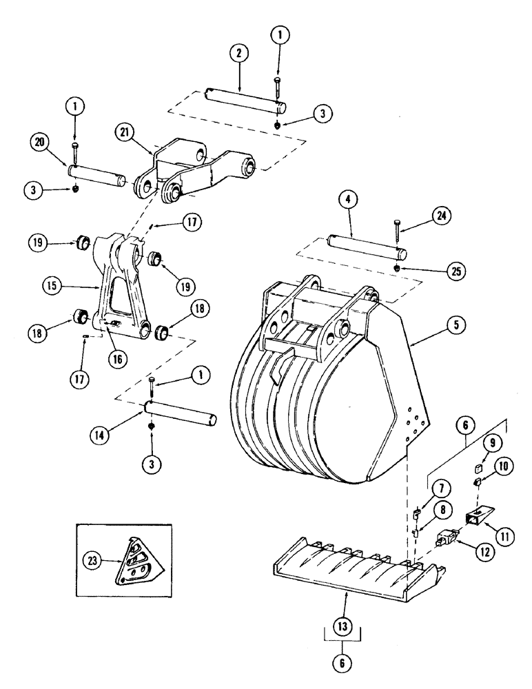
1

S90125

BOLT

CPSW - 3/4" NC x 6-1/2" gr 8

1шт.

2

S223088

PIN, Serial Range: (Links-dipperstick)

1шт.

3

S96529

NUT, acorn - 3/4" NC

1шт.

4

S223091

PIN -, Serial Range: (Bucket-dipperstick)

1шт.

5

S953562

BUCKET, 36" excavator - 1-3/4 cu. yd. capacity with Esco Lip and 4 teeth

1шт.

S953563

BUCKET, 42" excavator - 2-1/4 cu. yd. capacity with Esco Lip and 5 teeth

1шт.

S953564

BUCKET, 48" excavator - 2-1/2 cu. yd. capacity with Esco Lip and 5 teeth

1шт.

S953565

BUCKET, 60" excavator - 3-1/8 cu. yd. capacity with Esco Lip and 6 teeth

1шт.

6

S223168

LIP

ESCO LIP ASSEMBLY - (Used with S953562 bucket)

1шт.

S223169

ESCO LIP ASSEMBLY - (Used with S953563 bucket)

1шт.

S223170

ESCO LIP ASSEMBLY - (Used with S953564 bucket)

1шт.

S223171

ESCO LIP ASSEMBLY - (Used with S953565 bucket)

1шт.

7

S99415

PIN

1шт.

8

S99416

LOCK

1шт.

9

S107814

SPOOL

1шт.

10

S107813

WEDGE

1шт.

11

S99414

POINT

1шт.

12

S99413

ADAPTER

1шт.

13

S99926

LIP

- (Used with S223168 Esco Lip assembly)

1шт.

S99927

LIP

- (Used with S223169 Esco Lip assembly)

1шт.

S99928

LIP

- (Used with S223170 Esco Lip assembly)

1шт.

S99929

LIP

- (Used with S223171 Esco Lip assembly)

1шт.

14

S223090

PIN - (Attachment, Serial Range: link-bucket)

1шт.

15

S507544

LINK, attachment

1шт.

16

S12031

FITTING,1/8"-27 x .66 lg

grease - 1/8" NPT - (Straight)

3шт.

17

S86890

SET SCREW

SCREW, set - 3/8" NC x 3/8" - (Nylock)

4шт.

18

S96738

BUSHING

2шт.

19

S225943

BUSHING

2шт.

20

S223087

PIN - (Guide link to attachment link and both links to tool cylinder rod end)

1шт.

21

S507541

LINK

guide

1шт.

22

S48092

PLATE, serial - (Not illustrated)

1шт.

S23395

SCREW

drive

2шт.

23

S227288

CUTTER, side - 3-1/2" - (Left hand) - (Illustrated) - (Optional)

1шт.

S227289

CUTTER, side - 3-1/2" - (Right hand) - (Not illustrated) - (Optional)

1шт.

S227290

CUTTER

side - 4-1/2" - (Left hand) - (Not illustrated) - (Optional)

1шт.

S227291

CUTTER

side - 4-1/2" - (Right hand) - (Not illustrated) - (Optional)

1шт.

S227292

CUTTER, side - 5-1/2" - (Left hand) - (Not illustrated) - (Optional)

1шт.

S227293

CUTTER, side - 5-1/2" - (Right hand) - (Not illustrated) - (Optional)

1шт.

24

S90125

BOLT

CPSW - 3/4" NC x 6-1/2" gr 8 - (Used on units with serial number 65521 thru 6287223)

1шт.

S15799

CPSW - 7/8" NC x 7" - (Special high strength) - (Used on units with serial number 6287224 and after) - (Supersedes S90125)

1шт.

25

S96529

NUT, acorn - (Used on units with serial number 65521 thru 6287223)

1шт.

S107337

NUT, acorn - 7/8" NC - (Used on units with serial number 6287224 and after) - (Supersedes S96529)

1шт.

Выбрано товаров: 42