Запчасти Case 120 (041) - RADIATOR, OIL COOLER AND ATTACHING PARTS (10) - ENGINE

Схема запчастей Case 120 - (041) - RADIATOR, OIL COOLER AND ATTACHING PARTS (10) - ENGINE
FIT
1:1
100%

Артикул

Название

Примечание

Количество

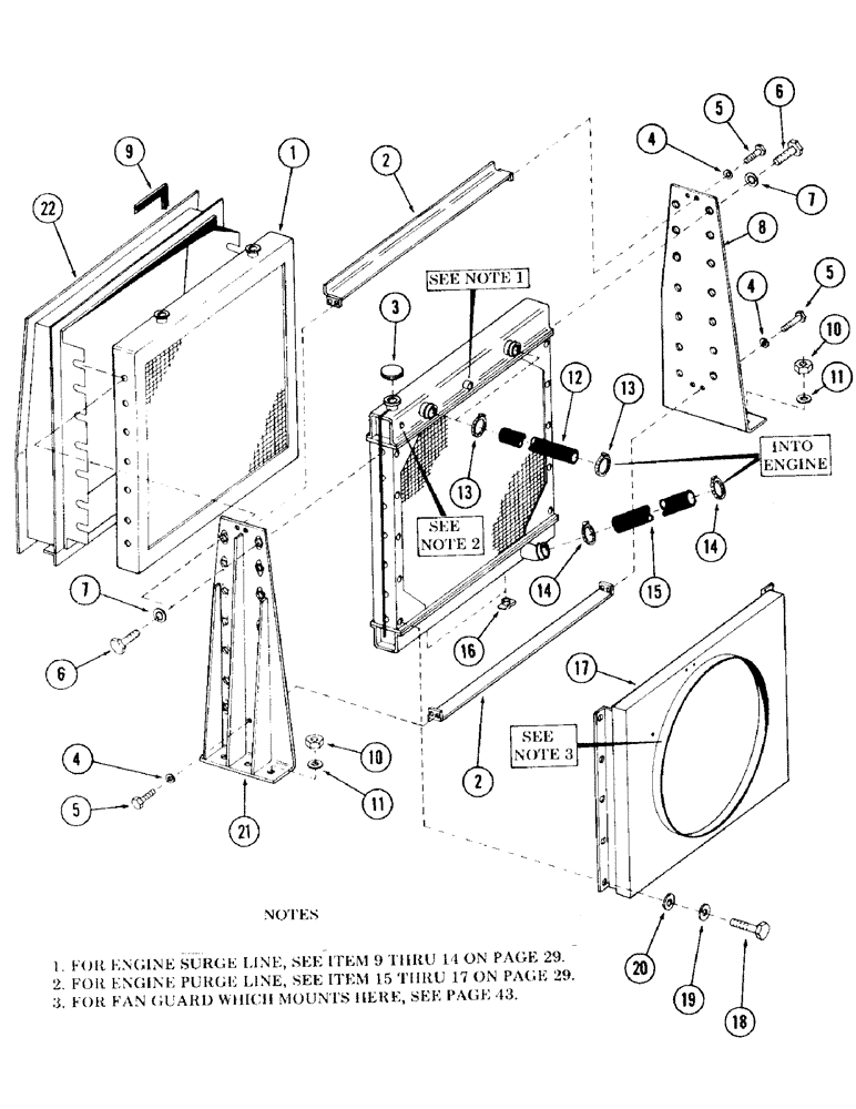
1

S606228

COOLER, oil

1шт.

2

S225923

BRACKET

2шт.

3

S608508

RADIATOR - (Includes cap) - (Supersedes S606706)

1шт.

S89404

CAP

radiator - (7 lbs. pressure)

1шт.

4

S4397

WASHER

lock - 3/8"

8шт.

5

S2401

BOLT

CPSW - 3/8" NC x 1" gr 5

8шт.

6

S76819

STEP BOLT

BOLT, shoulder

28шт.

7

S7344

WASHER, LOCK

- 3/8" - (Internal tooth)

28шт.

8

S508401

BRACKET

radiator mounting

1шт.

9

S76711

SEAL

air duct - 1 piece - 215" long

1шт.

10

S17169

INSTRUCTION

NUT, self locking - 1/2" NC

6шт.

11

S95569

WASHER

flat - 1/2"

6шт.

12

S103756

HOSE, radiator - (Upper) - 2-1/2" ID x 28" long

2шт.

13

S10880

HOSE CLAMP

CLAMP, hose - (Supersedes S98877)

4шт.

14

S83026

CLAMP

hose

2шт.

15

S103757

HOSE, radiator - (Lower) - 3-1/2" ID x 28" long

1шт.

16

S49610

VALVE

drain

1шт.

17

S607517

SHROUD, fan

1шт.

18

S2375

BOLT

CPSW - 5/16" NC x 1/2" gr 5

10шт.

19

S4396

WASHER, LOCK

- 5/16"

10шт.

20

S7381

WASHER

flat - 5/16"

10шт.

21

S508402

BRACKET

radiator mounting

1шт.

22

S607604

SHROUD

air duct

1шт.

Выбрано товаров: 0