Запчасти Case 120 (125) - TRACK DRIVE BRAKE, USED ON UNITS WITH SERIAL NUMBER 65521 THRU 6287228 (33) - BRAKES & CONTROLS

Схема запчастей Case 120 - (125) - TRACK DRIVE BRAKE, USED ON UNITS WITH SERIAL NUMBER 65521 THRU 6287228 (33) - BRAKES & CONTROLS
FIT
1:1
100%

Артикул

Название

Примечание

Количество

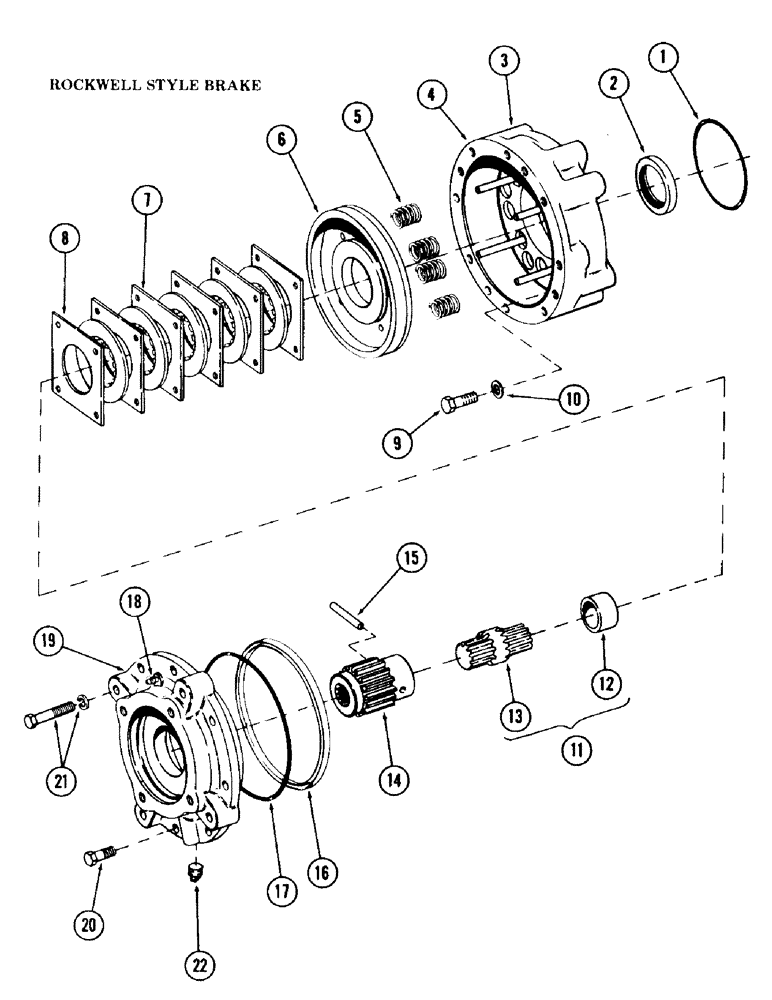
S605056

BRAKE, track drive

2шт.

1

S5750

O-RING,0.103" Thk x 4.487" ID, -157, Cl 5, 75 Duro

"O" RING, - 4.487" ID x 4.687" OD

1шт.

2

A12994

OIL SEAL

oil

1шт.

3

S95368

HOUSING, brake

1шт.

4

S94794

PIN

brake plate lock

4шт.

5

S108862

SPRING, brake piston - (250 pounds) - (Supersedes S222463)

8шт.

6

S94799

PISTON, brake release

1шт.

7

S109152

BRAKE DISC

DISC, piston - (Supersedes S94802)

5шт.

8

S109151

PLATE

brake disc - (Supersedes S94801)

6шт.

9

S83408

BOLT

CPSW - 1/2" NC x 1-1/2" gr 8 - (Brake to track drive transmission)

4шт.

10

S4399

WASHER

lock - 1/2"

4шт.

11

S98225

SHAFT, input drive pinion

1шт.

12

S98226

SLEEVE, oil seal input shaft

1шт.

13

NSS

NOT SOLD SEPARAT

SHAFT, input

1шт.

14

S500504

COUPLING, brake disc drive - (Supersedes S98227)

1шт.

15

S94792

PIN, drive

1шт.

16

S98349

SEAL

PACKING, brake piston - (Supersedes S94791)

1шт.

17

S94790

O-RING

"O" RING - (Brake cover to housing)

1шт.

18

S94796

SCREW, bleeder

1шт.

19

S98228

COVER, brake housing

1шт.

20

S97071

BOLT

CPSW - 7/16" NC x 2-3/8" gr 8

4шт.

21

S94795

CAPSCREW

CPSW - 7/16" NC x 1-5/8" gr 5 - (Brake, Serial Range: cover-housing)

8шт.

S4398

WASHER, LOCK

- 7/16"

8шт.

22

S98223

PLUG

1шт.

Выбрано товаров: 24